Лодочные моторы PARSUN
2х тактные моторы от 2 л.с. до 90 л.с.
4х тактные моторы от 2.6 л.с. до 130 л.с.
Аксессуары PARSUN
Винты гребные, Масла смазки, Кофры, Баки и канистры
Принадлежности для ТО, Насосы для лодок
Назад

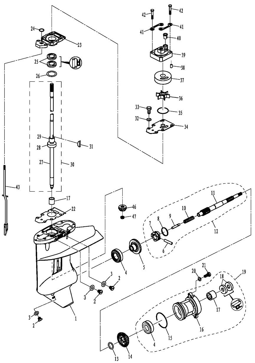
7 | НИЖНИЙ КОРПУС И ПРИВОД 1 | Лодочный мотор | F20ABWS -EFI PARSUN | Запчасти

Ссылка Артикул Наименование детали Используется штук Количество Цена
1 F20-04000001E

Корпус редуктора F20-04000001E
Используется в агрегатах

17042 i
2 F4-03000023

Болт (90340-08002) F4-03000023
Используется в агрегатах

143 i
3 F4-03000024

Прокладка сливного болта (90430-08020) F4-03000024
Используется в агрегатах

40 i
4 GB/T276-6205C3

Подшипник (93306-205YD) GB/T276-6205C3
Используется в агрегатах

305 i
5 F20-04000100E

Шестерня переднего хода ( смотрите комплект ниже F20-04000070E )
Используется в агрегатах

4129 i
6 F15-06070004

Штифт (90250-05010) F15-06070004
Используется в агрегатах

84 i
7 F20-04050002E

Муфта переключения хода F20-04050002E
Используется в агрегатах

1432 i
8 F15-06070005

Кольцо (648-45633-00) F15-06070005
Используется в агрегатах

33 i
9 F15-06070006

Толкатель (650-45635-00) F15-06070006
Используется в агрегатах

253 i
10 F15-06070002

Пружина (90501-14M06) F15-06070002
Используется в агрегатах

36 i
11 F20-04050001E

Вал гребного винта F20-04050001E
Используется в агрегатах

7526 i
12 F20-04050000E

Вал гребного винта в сборе F20-04050000E
Используется в агрегатах

9976 i
13 F15-06070007

Шайба (90201-17682) F15-06070007
Используется в агрегатах

38 i
14 F20-04060003E

Шестерня заднего хода ( смотрите комплект ниже F20-04000070E )
Используется в агрегатах

3834 i
15 F20-04060002E

Кольцо уплотнительное (121-32071-0);(803735) F20-04060002E
Используется в агрегатах

238 i
16 F20-04060001E

Корпус подшипников гребного вала F20-04060001E
Используется в агрегатах

1597 i
17 IKO-TAI1720Z

Подшипник (362-60211-0);(803734) IKO-TAI1720Z
Используется в агрегатах

745 i
18 F15-06080004

Сальник (93101-17054) F15-06080004
Используется в агрегатах

270 i
19 F20-04060000E

Корпус подшипников гребного вала в сборе F20-04060000E
Используется в агрегатах

5310 i
20 GB/T97.1-6

Шайба (92995-06600) GB/T97.1-6
Используется в агрегатах

31 i
21 GB/T5783-M6X20

Болт GB/T5783-M6x20
Используется в агрегатах

63 i
22 F20-04000004E

Прокладка F20-04000004E
Используется в агрегатах

285 i
23 F20-04010001E

Корпус F20-04010001E
Используется в агрегатах

1475 i
24 F15-06020004

Кольцо уплотнительное (93210-06ME6) F15-06020004
Используется в агрегатах

73 i
25 F15-06020003

Сальник (93101-20048) F15-06020003
Используется в агрегатах

306 i
26 F20-04000005E-3

Шайба регулировочная 0,3мм (346-64083-0);(813276003) F20-04000005E-3
Используется в агрегатах

339 i
26 F20-04000005E-5

Шайба регулировочная 0,5мм F20-04000005E-5
Используется в агрегатах

339 i
26 F20-04000005E-1

Шайба регулировочная 0,1мм F20-04000005E-1
Используется в агрегатах

339 i
26 F20-04000005E-2

Шайба регулировочная 0,15мм F20-04000005E-2
Используется в агрегатах

130 i
27 F20-04030001EL

Вертикальный вал F20-04030001EL
Используется в агрегатах

Нет в наличии

27 F20-04030000ES

Вертикальный вал в сборе F20-04030000ES
Используется в агрегатах

15897 i
28 GB/T276-6302

Подшипник шариковый (9601-0-6302);(161325) GB/T276-6302
Используется в агрегатах

530 i
29 F15-06040002

Муфта вертикального вала F15-06040002
Используется в агрегатах

990 i
30 F20-04030000EL

Вертикальный вал в сборе F20-04030000EL
Используется в агрегатах

15640 i
30 F20-04030000ES

Вертикальный вал в сборе F20-04030000ES
Используется в агрегатах

15897 i
31 F15-06000013

Шпонка (63V-44338-00) F15-06000013
Используется в агрегатах

166 i
32 GB/T97.1-8

Шайба (92995-08100) GB/T97.1-8
Используется в агрегатах

15 i
33 GB/T5783-M8X25

Болт (97075-08025) GB/T5783-M8x25
Используется в агрегатах

102 i
34 F20-04000002

Пластина крыльчатки (68T-44323-00) F20-04000002
Используется в агрегатах

1100 i
35 JASO-F404-31-045

Кольцо уплотнительное JASO-F404-31-045
Используется в агрегатах

200 i
36 F15-06050000

Крыльчатка (63V-44352-00) F15-06050000
Используется в агрегатах

510 i
37 F15-06060002

Стакан крыльчатки (63V-44322-00) F15-06060002
Используется в агрегатах

997 i
38 F15-00000013

Штифт (93604-10M03) F15-00000013
Используется в агрегатах

92 i
39 F20-04040001

Корпус водяного насоса (6AH-44311-00) F20-04040001
Используется в агрегатах

493 i
40 F25-04050004

Уплотнительная втулка трубки охлаждения(6L2-44367-00) F25-04050004
Используется в агрегатах

70 i
41 F15-06000014

Пластина водяного насоса (63V-44328-00) F15-06000014
Используется в агрегатах

52 i
42 GB/T5783-M8X45

Болт GB/T5783-M8x45
Используется в агрегатах

130 i
43 F20-04020000L

Механизм переключения хода (6AH-44150-10) F20-04020000L
Используется в агрегатах

770 i
43 F20-04020000S

Механизм переключения хода (6AH-44150-00) F20-04020000S
Используется в агрегатах

720 i
44 F20-04000007E

Шестерня горизонтального вала ( смотрите комплект ниже F20-04000070E )
Используется в агрегатах

2048 i
45 F25-04000006

Гайка (90179-10M14) F25-04000006
Используется в агрегатах

760 i
F20-04000050

Ремкомплект водяного насоса F20-04000050
Используется в агрегатах

2270 i
F20-04000070E

Комплект шестерен редуктора F20-04000070E
Используется в агрегатах

7100 i