 |
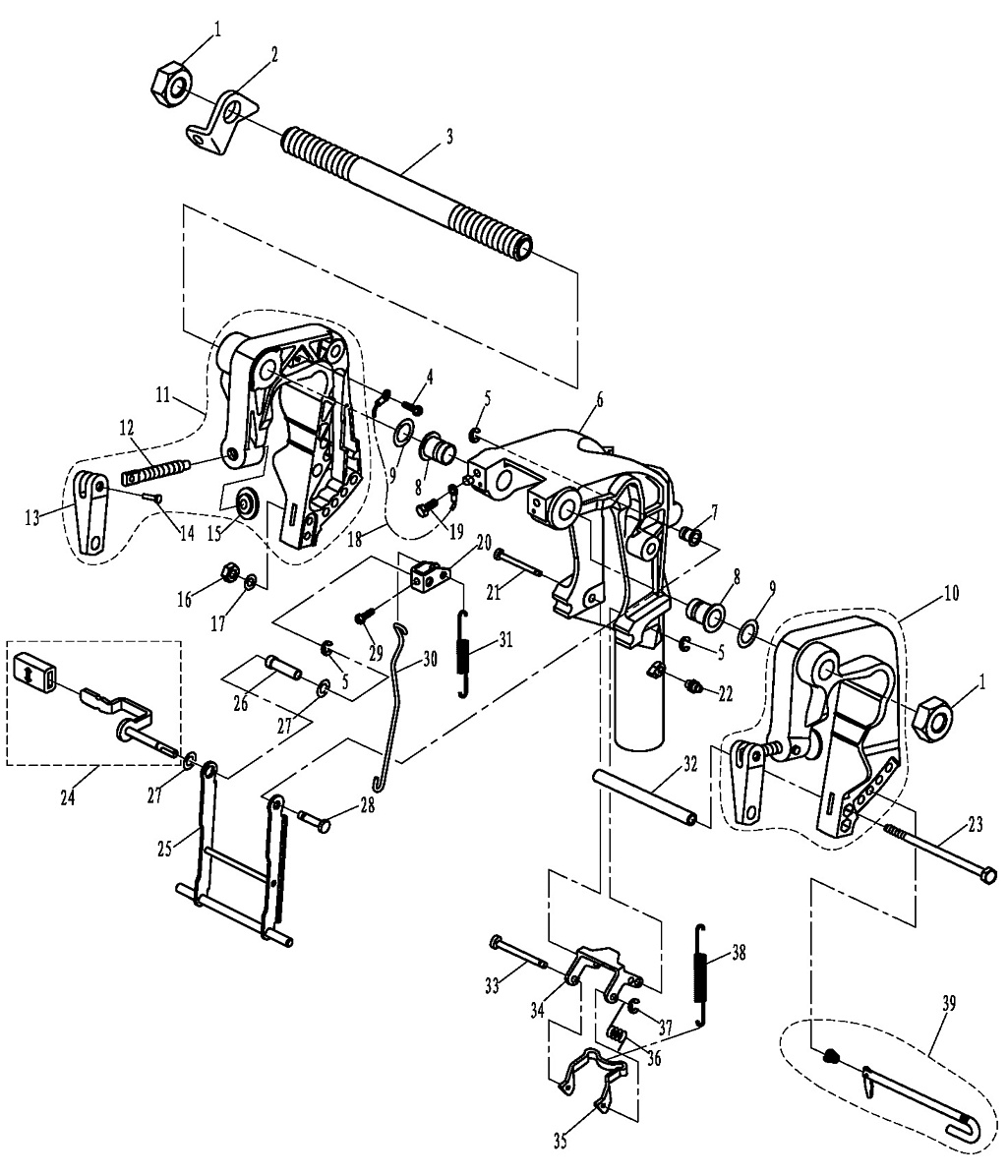
1 |
F15-01010007 |
Гайка (90185-22M11) F15-01010007
Используется в агрегатах
|
|
|
970 i |
|
 |
2 |
F15-01010003 |
Пластина (6J8-43113-01) F15-01010003
Используется в агрегатах
|
|
|
750 i |
|
 |
3 |
F15-01010001 |
Болт (63W-43131-10) F15-01010001
Используется в агрегатах
|
|
|
3280 i |
|
 |
4 |
GB/T818-M6X8 |
Винт GB/T818-M6x8
Используется в агрегатах
|
|
|
63 i |
|
 |
5 |
GB/T896-5 |
Стопорные кольца (99080-05600) GB/T896-5
Используется в агрегатах
|
|
|
31 i |
|
 |
6 |
F15-01010301L |
Поворотный кронштейн F15-01010301L
Используется в агрегатах
|
|
|
13275 i |
|
 |
6 |
F15-01010301S |
Поворотный кронштейн (63V-43311-03-4D) F15-01010301S
Используется в агрегатах
|
|
|
12390 i |
|
 |
7 |
F15-01010311 |
Втулка F15-01010311
Используется в агрегатах
|
|
|
51 i |
|
 |
8 |
F15-01010302 |
Втулка (90386-22M94) F15-01010302
Используется в агрегатах
|
|
|
138 i |
|
 |
9 |
F15-01010002 |
Шайба контровочная (90202-22M54) F15-01010002
Используется в агрегатах
|
|
|
277 i |
|
 |
10 |
F15-01010100 |
Струбцина левая (63V-43111-00-4D) F15-01010100
Используется в агрегатах
|
|
|
6195 i |
|
 |
11 |
F15-01010200 |
Струбцина правая (63V-43112-01-4D) F15-01010200
Используется в агрегатах
|
|
|
6195 i |
|
 |
12 |
F25-01010104 |
Винт (90149-14M12) F25-01010104
Используется в агрегатах
|
|
|
1660 i |
|
 |
13 |
F4-01010004 |
Ручка зажима (69M-G3118-00) F4-01010004
Используется в агрегатах
|
|
|
133 i |
|
 |
14 |
F4-01010005 |
Штифт (90243-04M01) F4-01010005
Используется в агрегатах
|
|
|
43 i |
|
 |
15 |
F4-01010003 |
Шайба прижимная (6F5-43114-00) F4-01010003
Используется в агрегатах
|
|
|
177 i |
|
 |
16 |
GB/T6170-M6 |
Гайка (95303-06600) GB/T6170-M6
Используется в агрегатах
|
|
|
45 i |
|
 |
17 |
GB/T97.1-6 |
Шайба (92995-06600) GB/T97.1-6
Используется в агрегатах
|
|
|
31 i |
|
 |
18 |
F15-01010202 |
Кабель заземления (6E5-82148-00) F15-01010202
Используется в агрегатах
|
|
|
345 i |
|
 |
19 |
GB/T5783-M8X12 |
Болт (97313-08012) GB/T5783-M8x12
Используется в агрегатах
|
|
|
74 i |
|
 |
20 |
F15-01010306 |
Рычаг (63V-43641-00) F15-01010306
Используется в агрегатах
|
|
|
210 i |
|
 |
21 |
F15-01010316 |
Ось (63V-43659-00) F15-01010316
Используется в агрегатах
|
|
|
345 i |
|
 |
22 |
JB/T9740.1-M6 |
Масленка (93700-06M03) JB/T9740.1-M6
Используется в агрегатах
|
|
|
173 i |
|
 |
23 |
GB/T5782-M6X145 |
Болт GB/T5782-M6x145
Используется в агрегатах
|
|
|
620 i |
|
 |
24 |
F15-01010305 |
Ручка скобы фиксатора положения мотора (63V-43630-00) F15-01010305
Используется в агрегатах
|
|
|
1290 i |
|
 |
25 |
F15-01010313A |
Фиксатор откидки F15-01010313A
Используется в агрегатах
|
|
|
1068 i |
|
 |
26 |
F15-01010308 |
Втулка F15-01010308
Используется в агрегатах
|
|
|
210 i |
|
 |
27 |
F15-01010309 |
Шайба контровочная F15-01010309
Используется в агрегатах
|
|
|
68 i |
|
 |
28 |
F15-01010312A |
Палец F15-01010312A
Используется в агрегатах
|
|
|
180 i |
|
 |
29 |
GB/T818-M5X6 |
Винт GB/T818-M5x6
Используется в агрегатах
|
|
|
39 i |
|
 |
30 |
F15-01010307A |
Тяга фиксатора откидки F15-01010307A
Используется в агрегатах
|
|
|
115 i |
|
 |
31 |
F15-01010304 |
Пружина (90507-20M00) F15-01010304
Используется в агрегатах
|
|
|
103 i |
|
 |
32 |
F15-01010006 |
Проставка (90387-06M13) F15-01010006
Используется в агрегатах
|
|
|
420 i |
|
 |
33 |
F15-01010317-3 |
Палец (63V-43611-00) F15-01010317-3
Используется в агрегатах
|
|
|
310 i |
|
 |
34 |
F15-01010317-2 |
Кронштейн (63V-43615-00) F15-01010317-2
Используется в агрегатах
|
|
|
950 i |
|
 |
35 |
F15-01010317-1 |
Кронштейн (63V-43614-00) F15-01010317-1
Используется в агрегатах
|
|
|
850 i |
|
 |
36 |
F15-01010315 |
Пружина F15-01010315
Используется в агрегатах
|
|
|
138 i |
|
 |
37 |
GB/T896-4 |
Стопорное кольцо GB/T896-4
Используется в агрегатах
|
|
|
Нет в наличии |
|
 |
38 |
F15-01010314A |
Пружина F15-01010314A
Используется в агрегатах
|
|
|
196 i |
|
 |
39 |
F15-01010400 |
Ось угла наклона (689-43160-00) F15-01010400
Используется в агрегатах
|
|
|
769 i |
|