 |
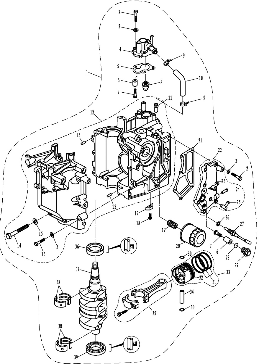
1 |
F20-05000000 |
Двигатель в сборе F20-05000000
Используется в агрегатах
|
|
|
63578 i |
|
 |
2 |
GB/T5783-M6X25 |
Болт GB/T5783-M6x25
Используется в агрегатах
|
|
|
63 i |
|
 |
3 |
GB/T97.1-6 |
Шайба (92995-06600) GB/T97.1-6
Используется в агрегатах
|
|
|
31 i |
|
 |
4 |
F20-05000700 |
Корпус термостата (6AH-12413-00-1S) F20-05000700
Используется в агрегатах
|
|
|
851 i |
|
 |
5 |
F20-05000702 |
Прокладка (6AH-12414-00) F20-05000702
Используется в агрегатах
|
|
|
176 i |
|
 |
6 |
F4-04070003 |
Анод (68D-E1325-00) F4-04070003
Используется в агрегатах
|
|
|
210 i |
|
 |
7 |
GB/T818-M5X25 |
Винт GB/T818-M5x25
Используется в агрегатах
|
|
|
40 i |
|
 |
8 |
T15-04000010 |
Термостат (688-12411-11) T15-04000010
Используется в агрегатах
|
|
|
535 i |
|
 |
9 |
HT2.5X50 |
Хомут HT2.5x50
Используется в агрегатах
|
|
|
Нет в наличии |
|
 |
10 |
F20-05000016 |
Патрубок F20-05000016
Используется в агрегатах
|
|
|
74 i |
|
 |
11 |
F20-05010002 |
Соединение F20-05010002
Используется в агрегатах
|
|
|
345 i |
|
 |
12 |
F20-05010000 |
Картер F20-05010000
Используется в агрегатах
|
|
|
32164 i |
|
 |
13 |
F15-00000006 |
Штифт (93606-12019) F15-00000006
Используется в агрегатах
|
|
|
92 i |
|
 |
14 |
T20-06000028 |
Болт T20-06000028
Используется в агрегатах
|
|
|
214 i |
|
 |
15 |
GB/T97.1-8 |
Шайба (92995-08100) GB/T97.1-8
Используется в агрегатах
|
|
|
15 i |
|
 |
16 |
F15-07010003 |
Болт (90401-20M00) F15-07010003
Используется в агрегатах
|
|
|
830 i |
|
 |
17 |
F15-07010026 |
Анод (6E5-11325-00) F15-07010026
Используется в агрегатах
|
|
|
260 i |
|
 |
18 |
GB/T820-M4X12 |
Винт GB/T820-M4x12
Используется в агрегатах
|
|
|
39 i |
|
 |
19 |
F15-07010003 |
Болт (90401-20M00) F15-07010003
Используется в агрегатах
|
|
|
830 i |
|
 |
20 |
F15-07010023 |
Масляный фильтр (5GH-13440-00) F15-07010023
Используется в агрегатах
|
|
|
674 i |
|
 |
21 |
F20-05000602 |
Прокладка (6AH-41114-00) F20-05000602
Используется в агрегатах
|
|
|
266 i |
|
 |
22 |
F20-05000600 |
Кожух выхлопной (6AH-41113-00-1S) F20-05000600
Используется в агрегатах
|
|
|
1480 i |
|
 |
23 |
F20-05000601 |
Крышка выхлопа F20-05000601
Используется в агрегатах
|
|
|
1060 i |
|
 |
24 |
F4-04010102A |
Патрубок F4-04010102A
Используется в агрегатах
|
|
|
104 i |
|
 |
25 |
F15-04000005 |
Соединение (676-11372-00) F15-04000005
Используется в агрегатах
|
|
|
430 i |
|
 |
26 |
GB/T3452.1-8X1.9 |
Кольцо уплотнительное GB/T3452.1-8X1.9
Используется в агрегатах
|
|
|
120 i |
|
 |
27 |
F40-05000400 |
Датчик температуры F40-05000400
Используется в агрегатах
|
|
|
1967 i |
|
 |
28 |
GB/T3452.1-13X2 |
Кольцо уплотнительное GB/T3452.1-13x2
Используется в агрегатах
|
|
|
48 i |
|
 |
29 |
F20-050300091 |
BOLT, ANODE
Используется в агрегатах
|
|
|
Нет в наличии |
|
 |
30 |
F20-05020002 |
Стопорное кольцо (93450-17129) F20-05020002
Используется в агрегатах
|
|
|
14 i |
|
 |
31 |
F20-05020100 |
Поршевые кольца (6AH-11603-00) F20-05020100
Используется в агрегатах
|
|
|
787 i |
|
 |
32 |
F20-05020001 |
Поршень (6AH-11631-00) F20-05020001
Используется в агрегатах
|
|
|
901 i |
|
 |
33 |
F20-05020300 |
Поршень в сборе F20-05020300
Используется в агрегатах
|
|
|
Нет в наличии |
|
 |
34 |
F20-05020003 |
Палец поршневой (137-11633-10) F20-05020003
Используется в агрегатах
|
|
|
221 i |
|
 |
35 |
F20-05020200 |
Шатун в сборе (6AH-11650-00) F20-05020200
Используется в агрегатах
|
|
|
1727 i |
|
 |
36 |
F25-05050021 |
Сальник (93102-37M40) F25-05050021
Используется в агрегатах
|
|
|
225 i |
|
 |
37 |
F20-05020004 |
Коленвал (6AH-11411-00) F20-05020004
Используется в агрегатах
|
|
|
18255 i |
|
 |
38 |
F20-05010003 |
Коренной вкладыш (6AH-11416-20(棕褐色)) F20-05010003
Используется в агрегатах
|
|
|
252 i |
|
 |
39 |
F15-07030006 |
Сальник (93102-35M51) F15-07030006
Используется в агрегатах
|
|
|
435 i |
|