Лодочные моторы PARSUN
2х тактные моторы от 2 л.с. до 90 л.с.
4х тактные моторы от 2.6 л.с. до 130 л.с.
Аксессуары PARSUN
Винты гребные, Масла смазки, Кофры, Баки и канистры
Принадлежности для ТО, Насосы для лодок
Назад

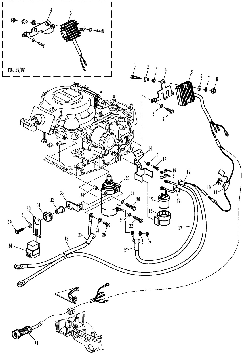
10 | ЭЛЕКТРИЧЕСКАЯ СИСТЕМА 2 | Лодочный мотор | F20ABWS -EFI PARSUN | Запчасти

Ссылка Артикул Наименование детали Используется штук Количество Цена
1 GB/T5783-M6X30

Болт GB/T5783-M6x30
Используется в агрегатах

109 i
2 F20-05000903W

Втулка F20-05000903W
Используется в агрегатах

155 i
3 F20-05000902W

Демпфер F20-05000902W
Используется в агрегатах

31 i
4 F20-05000901W

Кронштейн крепления выпрямителя FW/BW унифицированный F20-05000901W
Используется в агрегатах

483 i
4 F20-05000901W

Кронштейн крепления выпрямителя FW/BW унифицированный F20-05000901W
Используется в агрегатах

483 i
5 F40-05000500EFI

Выпрямитель F40-05000500EFI
Используется в агрегатах

6392 i
5 F20-05000900EFI

Выпрямитель F20-05000900EFI
Используется в агрегатах

6260 i
6 GB/T97.1-6

Шайба (92995-06600) GB/T97.1-6
Используется в агрегатах

31 i
7 GB/T93-6

Шайба контровочная (92995-06100) GB/T93-6
Используется в агрегатах

30 i
8 GB/T9074.14-M6X30

Болт GB/T9074.14-M6x30
Используется в агрегатах

92 i
9 GB/T5783-M6X16

Болт GB/T5783-M6x16
Используется в агрегатах

49 i
10 F15-07150001W

Предохранитель (20A) (67F-82151-00) F15-07150001W
Используется в агрегатах

92 i
11 F25-05090100W

Предохранитель комплект F25-05090100W
Используется в агрегатах

375 i
12 F15-07150501W

Колпачок защитный F15-07150501W
Используется в агрегатах

138 i
13 GB/T5783-M6X12

Болт (9101E3-5612);(879194261) GB/T5783-M6x12
Используется в агрегатах

31 i
14 F20-05000039W

Пластина крепежная F20-05000039W
Используется в агрегатах

1410 i
15 F15-07150300W

Реле стартера (6G1-81941-10) F15-07150300W
Используется в агрегатах

1404 i
16 F15-07150301W

Крышка реле F15-07150301W
Используется в агрегатах

210 i
17 F25-05170400W

Провод F25-05170400W
Используется в агрегатах

740 i
18 F15-07150200W

Аккумуляторный провод F15-07150200W
Используется в агрегатах

5535 i
19 GB/T6170-M6

Гайка (95303-06600) GB/T6170-M6
Используется в агрегатах

45 i
20 GB/T5782-M8X45

Болт GB/T5782-M8x45
Используется в агрегатах

134 i
21 GB/T97.1-8

Шайба (92995-08100) GB/T97.1-8
Используется в агрегатах

15 i
22 GB/T9074.14-M8X35

Болт GB/T9074.14-M8x35
Используется в агрегатах

126 i
23 F20-05000900W

Стартер (6AH-81800-00) F20-05000900W
Используется в агрегатах

20970 i
24 F20-05000038

Штифт F20-05000038
Используется в агрегатах

147 i
25 F25-05170201W

Крышка F25-05170201W
Используется в агрегатах

220 i
26 GB/T5783-M8X12

Болт (97313-08012) GB/T5783-M8x12
Используется в агрегатах

74 i
27 F25-05170202W

Крышка (682-82119-01) F25-05170202W
Используется в агрегатах

160 i
28 F20-05000061EFI

Проводка CDI F20-05000061EFI
Используется в агрегатах

3040 i
29 GB/T5783-M6X25

Болт GB/T5783-M6x25
Используется в агрегатах

63 i
30 F40-05091401EFI

Кронштейн F40-05091401EFI
Используется в агрегатах

750 i
31 F40-05091402EFI

Демпфер F40-05091402EFI
Используется в агрегатах

47 i
32 T40-05000028

Проставка (624-42542-00) T40-05000028
Используется в агрегатах

270 i
33 F20-05000044EFI

Площадка крепежная F20-05000044EFI
Используется в агрегатах

315 i
34 F40-05091400EFI

Силовое реле F40-05091400EFI
Используется в агрегатах

2106 i