Лодочные моторы PARSUN
2х тактные моторы от 2 л.с. до 90 л.с.
4х тактные моторы от 2.6 л.с. до 130 л.с.
Аксессуары PARSUN
Винты гребные, Масла смазки, Кофры, Баки и канистры
Принадлежности для ТО, Насосы для лодок
Назад

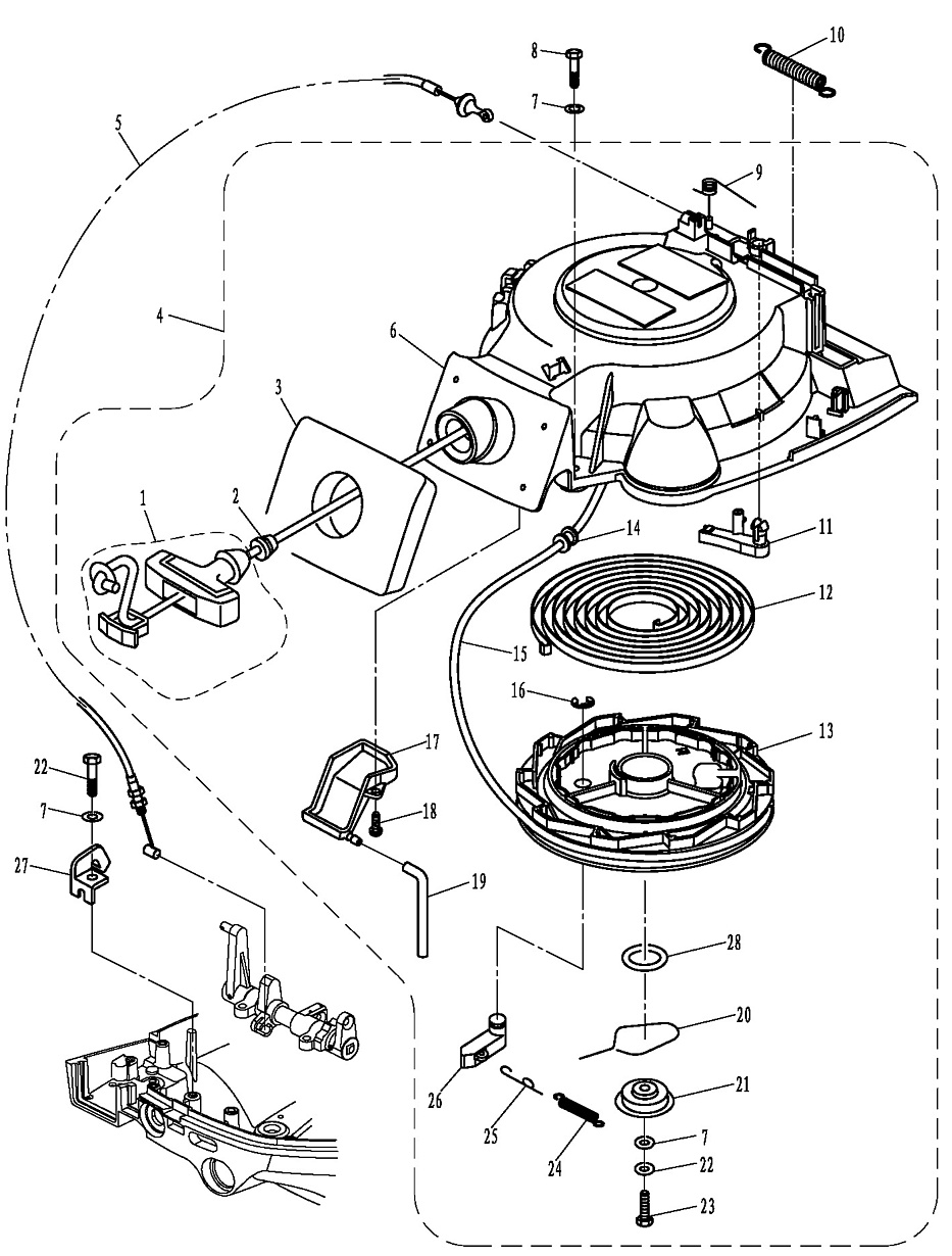
18 | СТАРТЕР В СБОРЕ | Лодочный мотор | F20ABWS -EFI PARSUN | Запчасти

Ссылка Артикул Наименование детали Используется штук Количество Цена
1 F25-05160500

Ручка запуска (689-15755-01) F25-05160500
Используется в агрегатах

230 i
2 F25-05160021

Демпфер (697-15789-00) F25-05160021
Используется в агрегатах

35 i
3 F20-05070003EFI

Уплолотнение F20-05070003EFI
Используется в агрегатах

1635 i
4 F20-05070000

Стартер ручной в сборе F20-05070000
Используется в агрегатах

6530 i
5 F20-05070200

Тросик F20-05070200
Используется в агрегатах

470 i
6 F20-05070100

Кожух стартера F20-05070100
Используется в агрегатах

3120 i
7 GB/T97.1-6

Шайба (92995-06600) GB/T97.1-6
Используется в агрегатах

31 i
8 GB/T5783-M6X25

Болт GB/T5783-M6x25
Используется в агрегатах

63 i
9 F15-07130106

Пружина (66T-15734-00) F15-07130106
Используется в агрегатах

57 i
10 F15-05000029

Пружина (66T-15731-00) F15-05000029
Используется в агрегатах

91 i
11 F15-07130105

Фиксатор стартера (66T-15794-00) F15-07130105
Используется в агрегатах

73 i
12 F15-07130107

Пружина (63V-15713-00) F15-07130107
Используется в агрегатах

306 i
13 F15-07130201

Барабан стартера (63V-15714-00) F15-07130201
Используется в агрегатах

526 i
14 F4-04130013

Втулка стартера (63V-15764-00) F4-04130013
Используется в агрегатах

92 i
15 F15-07130205

Шнур стартера 4X1.78 (90890-44373) F15-07130205
Используется в агрегатах

300 i
16 GB/T896-8

Стопорное кольцо (99001-08600) GB/T896-8
Используется в агрегатах

44 i
17 F20-05070001

Кожух F20-05070001
Используется в агрегатах

114 i
18 GB/T845-ST4.2X16

Винт GB/T845-ST4.2x16
Используется в агрегатах

39 i
19 F20-05070002

Патрубок 5X10X200 F20-05070002
Используется в агрегатах

104 i
20 F15-07130002

Пружина (63V-15705-01) F15-07130002
Используется в агрегатах

71 i
21 F20-05070004

Плата собачки F20-05070004
Используется в агрегатах

180 i
22 GB/T93-6

Шайба контровочная (92995-06100) GB/T93-6
Используется в агрегатах

30 i
23 GB/T5783-M6X16

Болт GB/T5783-M6x16
Используется в агрегатах

49 i
24 F15-07130203

Пружина (63V-15767-00) F15-07130203
Используется в агрегатах

69 i
25 F15-07130204

Пружина храповика стартера (63V-15784-01) F15-07130204
Используется в агрегатах

44 i
26 F15-07130202

Собачка барабана стартера (63V-15741-00) F15-07130202
Используется в агрегатах

78 i
27 F20-05000030

Кронштейн F20-05000030
Используется в агрегатах

255 i
28 T15-04070007

Шайба T15-04070007
Используется в агрегатах

92 i