Лодочные моторы PARSUN
2х тактные моторы от 2 л.с. до 90 л.с.
4х тактные моторы от 2.6 л.с. до 130 л.с.
Аксессуары PARSUN
Винты гребные, Масла смазки, Кофры, Баки и канистры
Принадлежности для ТО, Насосы для лодок
Назад

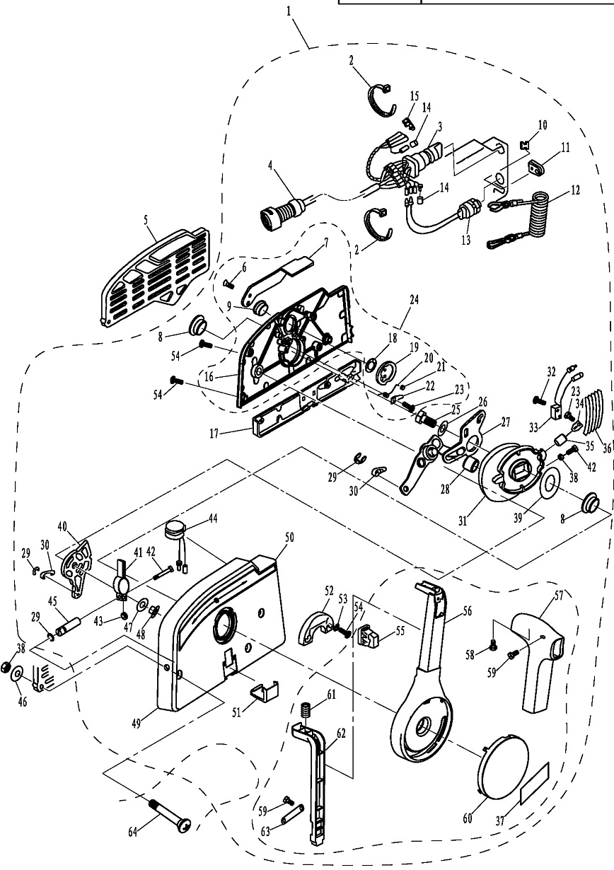
22 | БЛОК УПРАВЛЕНИЯ В СБОРЕ | Лодочный мотор | F20ABWS -EFI PARSUN | Запчасти

Ссылка Артикул Наименование детали Используется штук Количество Цена
1 F20-13000000EFI

Машинка стандарт Yamaha , фишка на 10 пинов длина кабеля 5 метров
Используется в агрегатах

32480 i
2 HT2.5X60

Хомут HT2.5x60
Используется в агрегатах

Нет в наличии

3 F15-13000200W

Замок зажигания (703-82510-34) F15-13000200W
Используется в агрегатах

1755 i
4 T85-08010100

Проводка управления (688-82586-21) T85-08010100
Используется в агрегатах

7830 i
5 F15-11000002W

Панель крепления пульта ДУ (703-48293-10) F15-11000002W
Используется в агрегатах

2950 i
6 GB/T819.1-M5X12

Винт GB/T819.1-M5x12
Используется в агрегатах

39 i
7 F15-13020007W

Рычаг оборотов ХХ пульта ДУ (703-48152-10) F15-13020007W
Используется в агрегатах

650 i
8 F15-13000005W

Втулка F15-13000005W
Используется в агрегатах

92 i
9 F15-13020006W

Втулка F15-13020006W
Используется в агрегатах

74 i
10 F15-11000001W

Заглушка F15-11000001W
Используется в агрегатах

92 i
11 F15-13000014W

Уплотнение F15-13000014W
Используется в агрегатах

73 i
12 F4-01090401

Чека останова (682-82556-00) F4-01090401
Используется в агрегатах

250 i
13 F15-13000400W

Выключатель аварийного останова (688-82575-12) F15-13000400W
Используется в агрегатах

456 i
14 F15-13000203W

Заглушка (90464-09M13) F15-13000203W
Используется в агрегатах

92 i
15 F15-13000202W

Заглушка F15-13000202W
Используется в агрегатах

147 i
16 F15-13020001W

Кожух (703-48212-10) F15-13020001W
Используется в агрегатах

3040 i
17 F15-13000013W

Крышка контроллера (703-48213-10) F15-13000013W
Используется в агрегатах

920 i
18 F15-13020005W

Шайба F15-13020005W
Используется в агрегатах

109 i
19 F15-13020100W

Крепежный диск рычага ХХ пульта ДУ F15-13020100W
Используется в агрегатах

370 i
20 F15-13020002W

Пружина F15-13020002W
Используется в агрегатах

82 i
21 F15-13020003W

Втулка F15-13020003W
Используется в агрегатах

147 i
22 F15-13020004W

Пластина F15-13020004W
Используется в агрегатах

280 i
23 GB/T818-M4X6

Винт GB/T818-M4x6
Используется в агрегатах

39 i
24 F15-13020000W

Кожух F15-13020000W
Используется в агрегатах

8350 i
25 GB/T5783-M8X30

Болт (90119-08102) GB/T5783-M8x30
Используется в агрегатах

57 i
26 GB/T97.1-8

Шайба (92995-08100) GB/T97.1-8
Используется в агрегатах

15 i
27 F15-13000500W

Механизм управления дроссельной заслонкой F15-13000500W
Используется в агрегатах

4930 i
28 F15-13000007W

Втулка F15-13000007W
Используется в агрегатах

214 i
29 GB/T896-6

Стопорное кольцо GB/T896-6
Используется в агрегатах

35 i
30 F25-07000007W

Крепление троса управления (703-48345-01) F25-07000007W
Используется в агрегатах

205 i
31 F15-13000002W

Механизм переключения хода (703-48232-00) F15-13000002W
Используется в агрегатах

2730 i
32 GB/T818-M3X14

Винт GB/T818-M3x14
Используется в агрегатах

39 i
33 F15-13000800W

Микровыключатель нейтрали (703-82540-00) F15-13000800W
Используется в агрегатах

215 i
34 F15-13000003W

Крепежная пластина (703-48189-00) F15-13000003W
Используется в агрегатах

277 i
35 F15-13000004W

Шкив F15-13000004W
Используется в агрегатах

230 i
36 F15-13000001W

Пластина F15-13000001W
Используется в агрегатах

55 i
37 F15-12000016W

Наклейка F15-12000016W
Используется в агрегатах

Нет в наличии

38 GB/T6170-M6

Гайка (95303-06600) GB/T6170-M6
Используется в агрегатах

45 i
39 F15-13000008W

Пластина F15-13000008W
Используется в агрегатах

180 i
40 F15-13000700W

Тяга переключения (703-48271-00) F15-13000700W
Используется в агрегатах

795 i
41 F15-13000601W

Крепежная пластина F15-13000601W
Используется в агрегатах

690 i
42 GB/T5783-M5X25

Болт GB/T5783-M5x25
Используется в агрегатах

47 i
43 GB/T6170-M5

Гайка (95380-05600) GB/T6170-M5
Используется в агрегатах

30 i
44 F15-13000300W

Зуммер (703-83383-11) F15-13000300W
Используется в агрегатах

1150 i
45 F15-13000602W

Штифт F15-13000602W
Используется в агрегатах

460 i
46 GB/T5287-6

Шайба GB/T5287-6
Используется в агрегатах

76 i
47 F15-13000006W

Шайба F15-13000006W
Используется в агрегатах

55 i
48 F15-13000011W

Втулка F15-13000011W
Используется в агрегатах

74 i
49 F15-13000012W

Кронштейн (703-48211-10) F15-13000012W
Используется в агрегатах

12520 i
50 F15-12000013W

Наклейка F15-12000013W
Используется в агрегатах

Нет в наличии

51 F15-13000015W

Крышка (703-48219-10) F15-13000015W
Используется в агрегатах

138 i
52 F15-13010010W

Сектор переключения хода F15-13010010W
Используется в агрегатах

280 i
53 GB/T956.1-5

Шайба GB/T956.1-5
Используется в агрегатах

30 i
54 GB/T819.1-M5X18

Винт GB/T819.1-M5x18
Используется в агрегатах

39 i
55 F15-13010003W

Заглушка F15-13010003W
Используется в агрегатах

185 i
56 F15-13010001W

Ручка управления (703-48221-10) F15-13010001W
Используется в агрегатах

4740 i
57 F15-13010002W

Ручка управления (703-48222-30) F15-13010002W
Используется в агрегатах

690 i
58 GB/T84.5-ST4.8X12

Винт GB/T84.5-ST4.8x12
Используется в агрегатах

30 i
59 GB/T818-M4X10

Болт GB/T818-M4x10
Используется в агрегатах

39 i
60 F15-13010009W

Накладка пульта ДУ (703-48215-10) F15-13010009W
Используется в агрегатах

320 i
61 F15-13010005W

Пружина F15-13010005W
Используется в агрегатах

57 i
62 F15-13010004W

Накладка рукоятки пульта ДУ (703-48223-10) F15-13010004W
Используется в агрегатах

280 i
63 F15-13010008W

Кронштейн поворотного хомута F15-13010008W
Используется в агрегатах

73 i
64 GB/T820-M6X90

Винт GB/T820-M6x90
Используется в агрегатах

185 i