 |
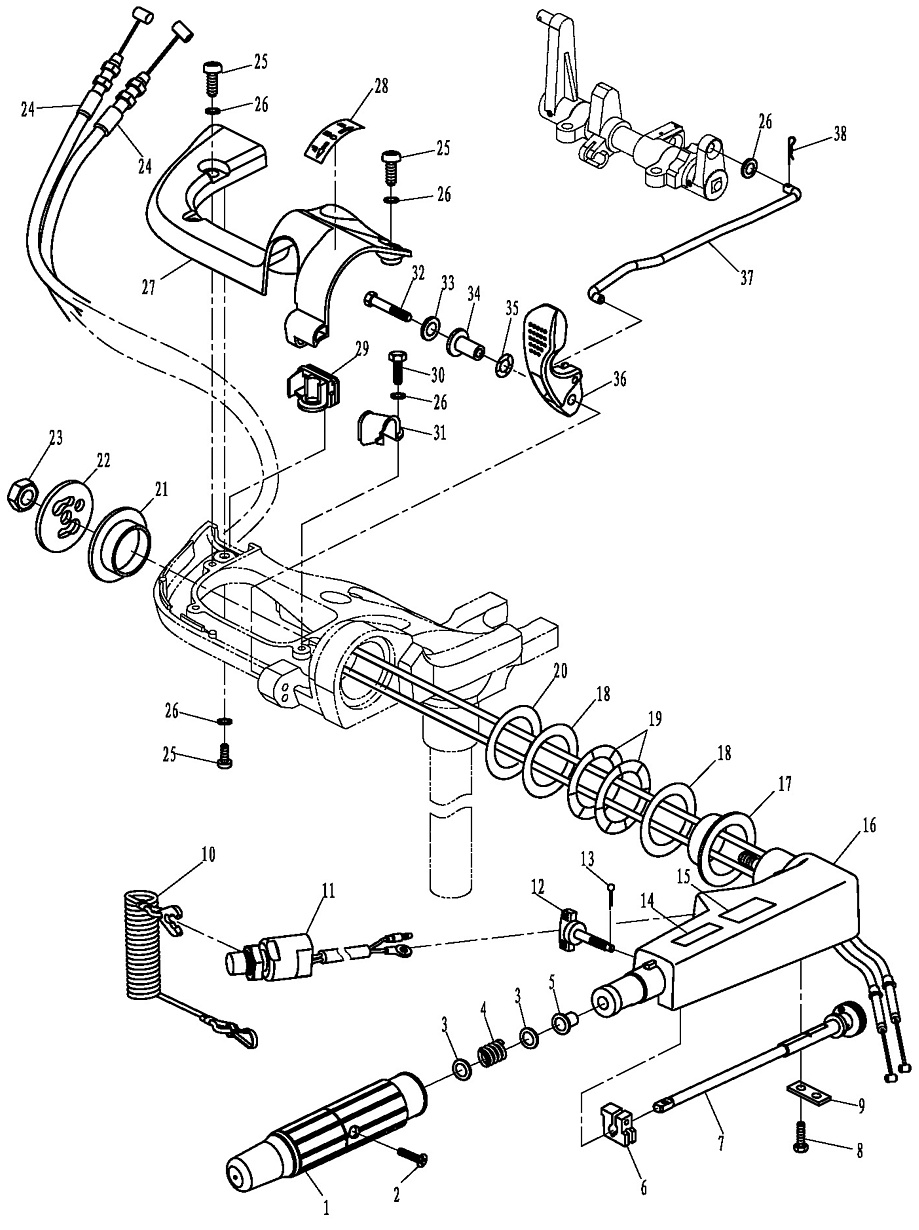
1 |
F4-01090300 |
Рукоятка газа комплект F4-01090300
Используется в агрегатах
|
|
|
1289 i |
|
 |
2 |
GB/T820-M5X25 |
Винт (90152-05011) GB/T820-M5x25
Используется в агрегатах
|
|
|
39 i |
|
 |
3 |
GB/T848-10 |
Шайба (90201-10M02) GB/T848-10
Используется в агрегатах
|
|
|
35 i |
|
 |
4 |
F4-01090007 |
Пружина (90501-23215) F4-01090007
Используется в агрегатах
|
|
|
76 i |
|
 |
5 |
F4-01090006 |
Втулка (90386-08032) F4-01090006
Используется в агрегатах
|
|
|
44 i |
|
 |
6 |
F4-01090003 |
Хомут усилия вращения ручки газа (6G1-42126-00) F4-01090003
Используется в агрегатах
|
|
|
143 i |
|
 |
7 |
F15-01030100 |
Рычаг дросселя (65W-42138-00) F15-01030100
Используется в агрегатах
|
|
|
720 i |
|
 |
8 |
GB/T5783-M6X20 |
Болт GB/T5783-M6x20
Используется в агрегатах
|
|
|
63 i |
|
 |
9 |
F15-01030005 |
Пластина (65W-42159-00) F15-01030005
Используется в агрегатах
|
|
|
74 i |
|
 |
10 |
F4-01090401 |
Чека останова (682-82556-00) F4-01090401
Используется в агрегатах
|
|
|
250 i |
|
 |
11 |
T40-01020101 |
Выключатель аварийного останова (66T-82575-01) T40-01020101
Используется в агрегатах
|
|
|
665 i |
|
 |
12 |
F15-01030200 |
Болт (65W-42125-00) F15-01030200
Используется в агрегатах
|
|
|
740 i |
|
 |
13 |
GB/T91-1.6X12 |
Шплинт GB/T91-1.6x12
Используется в агрегатах
|
|
|
15 i |
|
 |
14 |
F4-08000014 |
Наклейка F4-08000014
Используется в агрегатах
|
|
|
Нет в наличии |
|
 |
15 |
F4-08000016 |
Наклейка F4-08000016
Используется в агрегатах
|
|
|
38 i |
|
 |
16 |
F15-01030001 |
Румпель (65W42101-01-4D) F15-01030001
Используется в агрегатах
|
|
|
2910 i |
|
 |
17 |
F15-01000007 |
Втулка (90386-40MA0) F15-01000007
Используется в агрегатах
|
|
|
84 i |
|
 |
18 |
F15-01000008 |
Шайба (90201-43M00) F15-01000008
Используется в агрегатах
|
|
|
212 i |
|
 |
19 |
F15-01000009 |
Шайба (90206-43M22) F15-01000009
Используется в агрегатах
|
|
|
500 i |
|
 |
20 |
F15-01000012 |
Шайба (90202-43M57) F15-01000012
Используется в агрегатах
|
|
|
92 i |
|
 |
21 |
F15-01000011 |
Втулка (90386-40M99) F15-01000011
Используется в агрегатах
|
|
|
109 i |
|
 |
22 |
F15-01000013 |
Накладка (65W-42131-01) F15-01000013
Используется в агрегатах
|
|
|
470 i |
|
 |
23 |
GB/T6170-M10X1.25 |
Гайка (95380-10600) GB/T6170-M10x1.25
Используется в агрегатах
|
|
|
320 i |
|
 |
24 |
F20-01020100 |
Трос газа (6AH-26311-00) F20-01020100
Используется в агрегатах
|
|
|
443 i |
|
 |
25 |
GB/T823-M6X16 |
Винт GB/T823-M6x16
Используется в агрегатах
|
|
|
49 i |
|
 |
26 |
GB/T97.1-6 |
Шайба (92995-06600) GB/T97.1-6
Используется в агрегатах
|
|
|
31 i |
|
 |
27 |
F20-01000003 |
Кожух поворотного кронштейна F20-01000003
Используется в агрегатах
|
|
|
945 i |
|
 |
28 |
F8-08000010 |
Наклейка F8-08000010
Используется в агрегатах
|
|
|
Нет в наличии |
|
 |
29 |
F20-01000001 |
Муфта проходная (6AH-42551-00) F20-01000001
Используется в агрегатах
|
|
|
225 i |
|
 |
30 |
GB/T5783-M6X14 |
Болт GB/T5783-M6x14
Используется в агрегатах
|
|
|
44 i |
|
 |
31 |
F20-01000002 |
Пластина (6AH-44554-00) F20-01000002
Используется в агрегатах
|
|
|
645 i |
|
 |
32 |
GB/T5783-M6X25 |
Болт GB/T5783-M6x25
Используется в агрегатах
|
|
|
63 i |
|
 |
33 |
F25-00000004 |
Шайба (92992-06100) F25-00000004
Используется в агрегатах
|
|
|
76 i |
|
 |
34 |
F15-00000008 |
Проставка F15-00000008
Используется в агрегатах
|
|
|
250 i |
|
 |
35 |
F15-00000009 |
Шайба контровочная (90206-13M10) F15-00000009
Используется в агрегатах
|
|
|
92 i |
|
 |
36 |
F20-00000008 |
Ручка переключения передач F20-00000008
Используется в агрегатах
|
|
|
370 i |
|
 |
37 |
F20-00000009 |
Тяга переключения F20-00000009
Используется в агрегатах
|
|
|
500 i |
|
 |
38 |
F15-00000012 |
Защелка пружинная (90468-18008) F15-00000012
Используется в агрегатах
|
|
|
44 i |
|