 |
1 |
F20-05030000 |
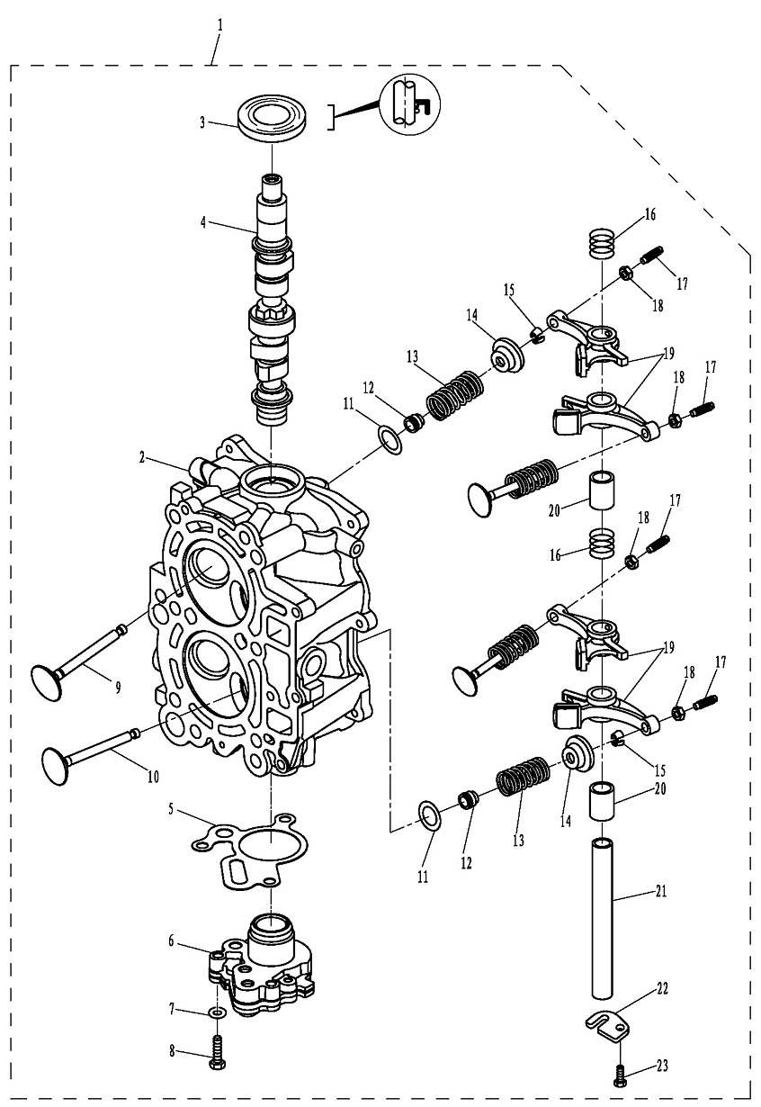
Головка блока цилиндров в сборе F20-05030000
Используется в агрегатах
|
|
|
33064 i |
|
 |
2 |
F20-05030100 |
Головка блока цилиндров (6AH-11111-00-94) F20-05030100
Используется в агрегатах
|
|
|
18438 i |
|
 |
3 |
F20-05030005 |
Сальник (93102-22009) F20-05030005
Используется в агрегатах
|
|
|
380 i |
|
 |
4 |
F20-05030200 |
Распредвал (6AH-12170-00) F20-05030200
Используется в агрегатах
|
|
|
8200 i |
|
 |
5 |
F20-05030010 |
Прокладка (6AH-13329-00) F20-05030010
Используется в агрегатах
|
|
|
351 i |
|
 |
6 |
F20-05030400 |
Маслонасос (6AH-13300-00) F20-05030400
Используется в агрегатах
|
|
|
3843 i |
|
 |
7 |
GB/T97.1-6 |
Шайба (92995-06600) GB/T97.1-6
Используется в агрегатах
|
|
|
31 i |
|
 |
8 |
F8-05000022 |
Болт F8-05000022
Используется в агрегатах
|
|
|
57 i |
|
 |
9 |
F20-05030001 |
Клапан Впуск (6AH-12111-00) F20-05030001
Используется в агрегатах
|
|
|
562 i |
|
 |
10 |
F20-05030002 |
Клапан Выпуск (6AH-12121-00) F20-05030002
Используется в агрегатах
|
|
|
685 i |
|
 |
11 |
F20-05030003 |
Тарелка пружины клапана F20-05030003
Используется в агрегатах
|
|
|
76 i |
|
 |
12 |
166F-010003 |
Сальник (51Y-12119-00) 166F-010003
Используется в агрегатах
|
|
|
103 i |
|
 |
13 |
F20-05030004 |
Пружина (3YF-12113-00) F20-05030004
Используется в агрегатах
|
|
|
150 i |
|
 |
14 |
F15-07040006 |
Тарелка F15-07040006
Используется в агрегатах
|
|
|
180 i |
|
 |
15 |
F15-07040007 |
Сухарь клапана (30X-12118-00) F15-07040007
Используется в агрегатах
|
|
|
51 i |
|
 |
16 |
F20-05030007 |
Пружина (90501-120A5) F20-05030007
Используется в агрегатах
|
|
|
69 i |
|
 |
17 |
F15-07040303 |
Винт (62Y-12159-00) F15-07040303
Используется в агрегатах
|
|
|
Нет в наличии |
|
 |
18 |
F15-07040304 |
Гайка (62Y-12158-00) F15-07040304
Используется в агрегатах
|
|
|
Нет в наличии |
|
 |
19 |
F20-05030301 |
Коромысло (6AH-12151-00) F20-05030301
Используется в агрегатах
|
|
|
2025 i |
|
 |
20 |
F20-05030006 |
Втулка (90387-13006) F20-05030006
Используется в агрегатах
|
|
|
74 i |
|
 |
21 |
F15-07040015 |
Ось коромысла (66M-12146-00) F15-07040015
Используется в агрегатах
|
|
|
1660 i |
|
 |
22 |
F20-05030008 |
Пластина (6AH-12279-00) F20-05030008
Используется в агрегатах
|
|
|
84 i |
|
 |
23 |
GB/T5783-M6X12 |
Болт (9101E3-5612);(879194261) GB/T5783-M6x12
Используется в агрегатах
|
|
|
31 i |
|