Лодочные моторы PARSUN
2х тактные моторы от 2 л.с. до 90 л.с.
4х тактные моторы от 2.6 л.с. до 130 л.с.
Аксессуары PARSUN
Винты гребные, Масла смазки, Кофры, Баки и канистры
Принадлежности для ТО, Насосы для лодок
Назад

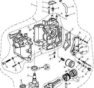
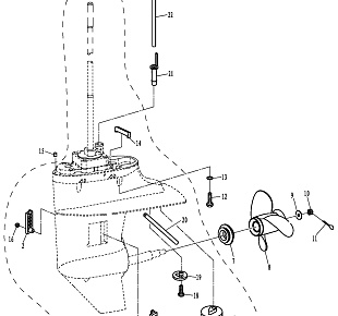
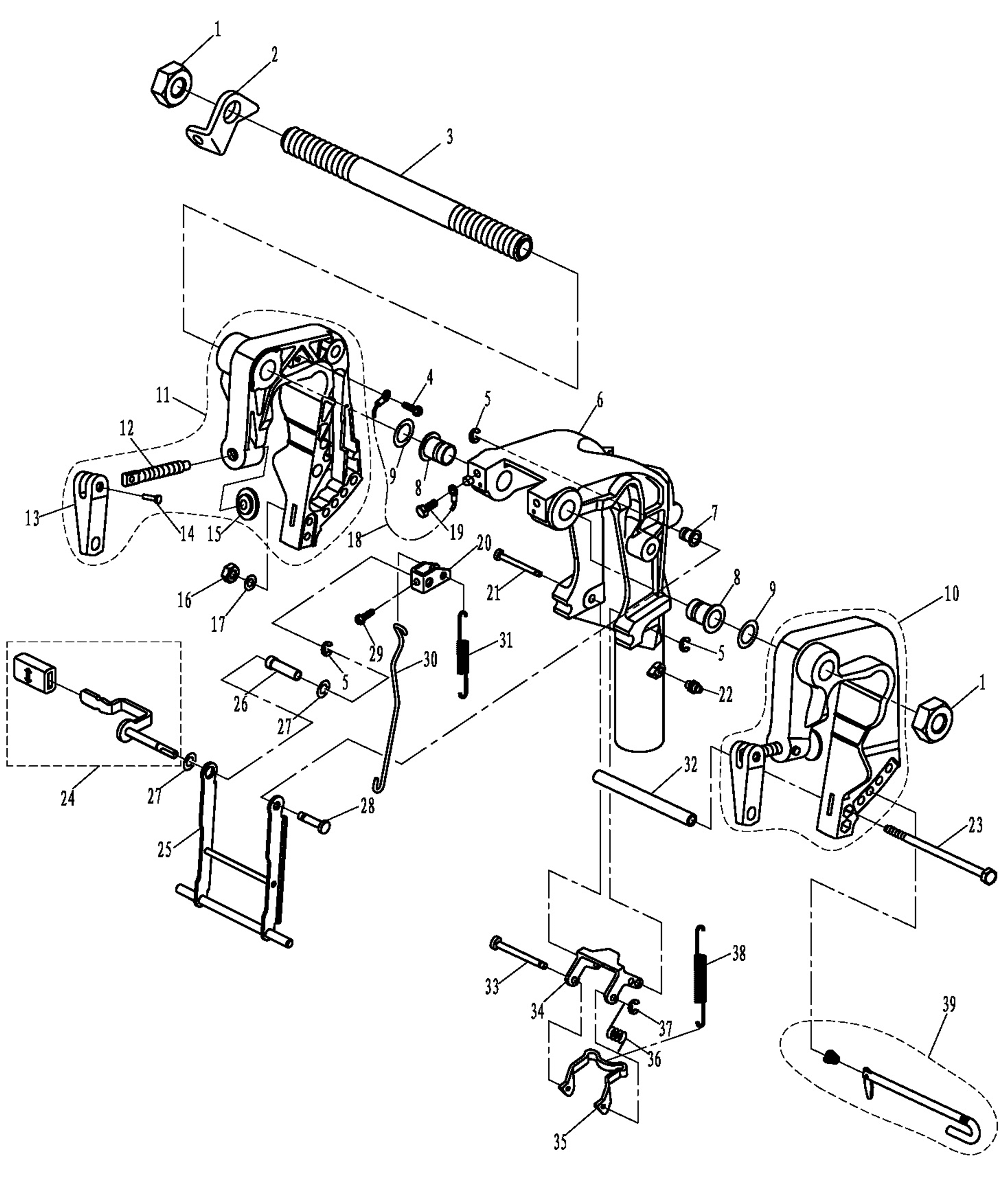
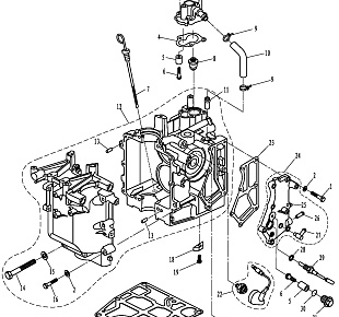
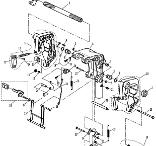
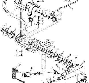
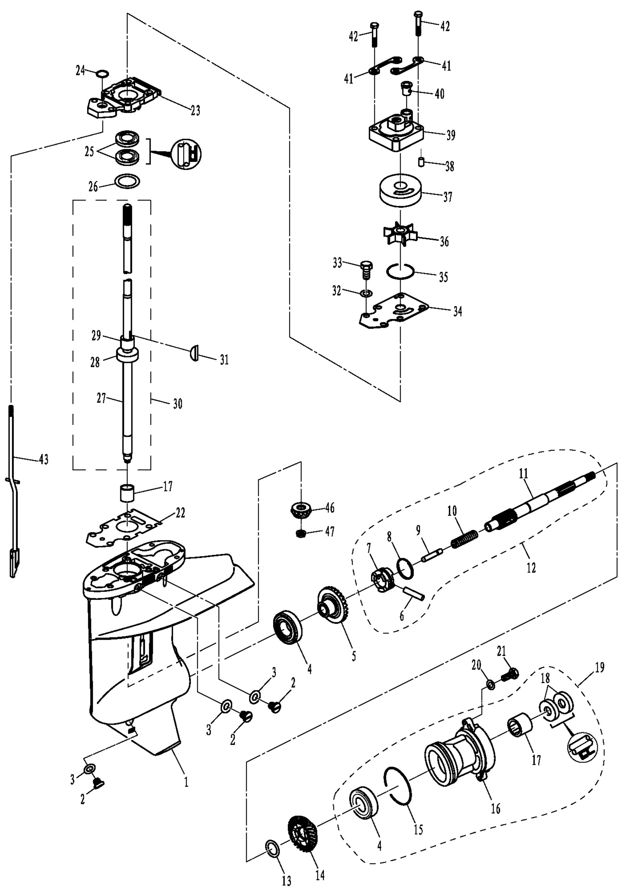
6 | СИСТЕМА КОНТРОЛЯ | Лодочный мотор | F20ABWS -EFI PARSUN | Запчасти

Ссылка Артикул Наименование детали Используется штук Количество Цена
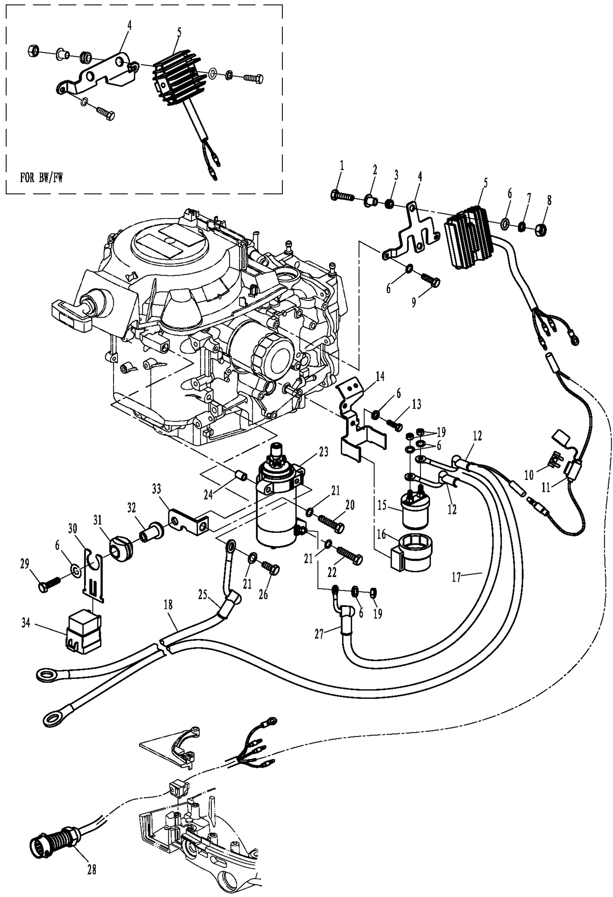
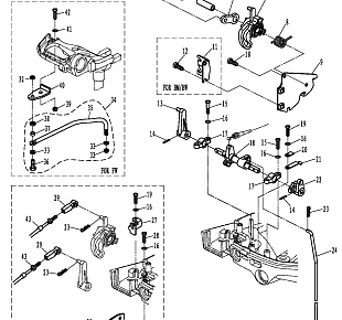
1 F20-05000045EFI

Тяга рулевая F20-05000045EFI
Используется в агрегатах

147 i
2 F15-07000016

Соединитель (661-41262-02) F15-07000016
Используется в агрегатах

75 i
3 GB/T5782-M6X55

Болт GB/T5782-M6x55
Используется в агрегатах

84 i
4 GB/T96-6

Шайба GB/T96-6
Используется в агрегатах

30 i
5 F15-07000012

Втулка (90387-06064) F15-07000012
Используется в агрегатах

129 i
6 F15-07000014

Шкив (65W-41283-00) F15-07000014
Используется в агрегатах

46 i
7 F20-05060001

Шкив (6AH-41638-00) F20-05060001
Используется в агрегатах

350 i
8 F20-05060002

Пружина (90508-20M44) F20-05060002
Используется в агрегатах

126 i
9 F20-05060101

Кронштейн F20-05060101
Используется в агрегатах

550 i
10 GB/T5783-M6X14

Болт GB/T5783-M6x14
Используется в агрегатах

44 i
11 F20-05060102

Кронштейн (6AH-14497-00) F20-05060102
Используется в агрегатах

230 i
12 GB/T5783-M6X10

Болт GB/T5783-M6x10
Используется в агрегатах

47 i
13 F20-03010001

Кулачек механизма переключения хода F20-03010001
Используется в агрегатах

138 i
14 GB/T879.2-3X20

Штифт GB/T879.2-3x20
Используется в агрегатах

76 i
16 GB/T97.1-6

Шайба (92995-06600) GB/T97.1-6
Используется в агрегатах

31 i
17 F15-05040002

Кронштейн вала переключения (6F5-41662-00) F15-05040002
Используется в агрегатах

210 i
18 F20-03010100

Рычаг переключения F20-03010100
Используется в агрегатах

970 i
19 GB/T5783-M6X25

Болт GB/T5783-M6x25
Используется в агрегатах

63 i
20 F15-05000032

Пластина (65W-44116-00) F15-05000032
Используется в агрегатах

69 i
21 F15-05000031

Пластина (91490-16012) F15-05000031
Используется в агрегатах

310 i
22 F20-03010200

Рычаг (6AH-44123-00) F20-03010200
Используется в агрегатах

260 i
23 F15-00000012

Защелка пружинная (90468-18008) F15-00000012
Используется в агрегатах

44 i
24 F20-03000009L

Тяга переключения F20-03000009L
Используется в агрегатах

375 i
24 F20-03000009S

Тяга переключения F20-03000009S
Используется в агрегатах

280 i
25 F15-05000035

Гайка (63V-15746-00) F15-05000035
Используется в агрегатах

130 i
26 GB/T6170-M6

Гайка (95303-06600) GB/T6170-M6
Используется в агрегатах

45 i
27 F20-03000012W

Кронштейн (6AH-48531-00) F20-03000012W
Используется в агрегатах

270 i
28 GB/T5783-M6X16

Болт GB/T5783-M6x16
Используется в агрегатах

49 i
29 F25-07000005W

Хомут (663-48344-00) F25-07000005W
Используется в агрегатах

164 i
30 F20-03000200W

Кронштейн тросов F20-03000200W
Используется в агрегатах

1840 i
31 F20-03000203W

Кольцо уплотнительное (90480-19031) F20-03000203W
Используется в агрегатах

92 i
32 F25-07000006W

Гайка (90185-09M01) F25-07000006W
Используется в агрегатах

205 i
33 GB/T97.1-10

Шайба (90201-10120) GB/T97.1-10
Используется в агрегатах

35 i
34 F20-07000100W

Рулевая тяга в сборе (6AH-61350-00) F20-07000100W
Используется в агрегатах

3190 i
35 F20-07000101W

Рулевая тяга F20-07000101W
Используется в агрегатах

2850 i
36 F15-11020002W

Болт F15-11020002W
Используется в агрегатах

600 i
37 F25-07000303W

Проставка (90387-10M42) F25-07000303W
Используется в агрегатах

63 i
38 F25-07000304W

Гайка (90170-09M03) F25-07000304W
Используется в агрегатах

420 i
39 GB/T889.1-M8

Гайка GB/T889.1-M8
Используется в агрегатах

31 i
40 F20-07000102W

Кронштейн тяги рулевой F20-07000102W
Используется в агрегатах

1020 i
41 GB/T97.1-8

Шайба (92995-08100) GB/T97.1-8
Используется в агрегатах

15 i
42 GB/T5783-M8X25

Болт (97075-08025) GB/T5783-M8x25
Используется в агрегатах

102 i
43 F15-11010000W

Тросы управления (4,27 метра) F15-11010000W
Используется в агрегатах

4493 i