Лодочные моторы PARSUN
2х тактные моторы от 2 л.с. до 90 л.с.
4х тактные моторы от 2.6 л.с. до 130 л.с.
Аксессуары PARSUN
Винты гребные, Масла смазки, Кофры, Баки и канистры
Принадлежности для ТО, Насосы для лодок
Назад

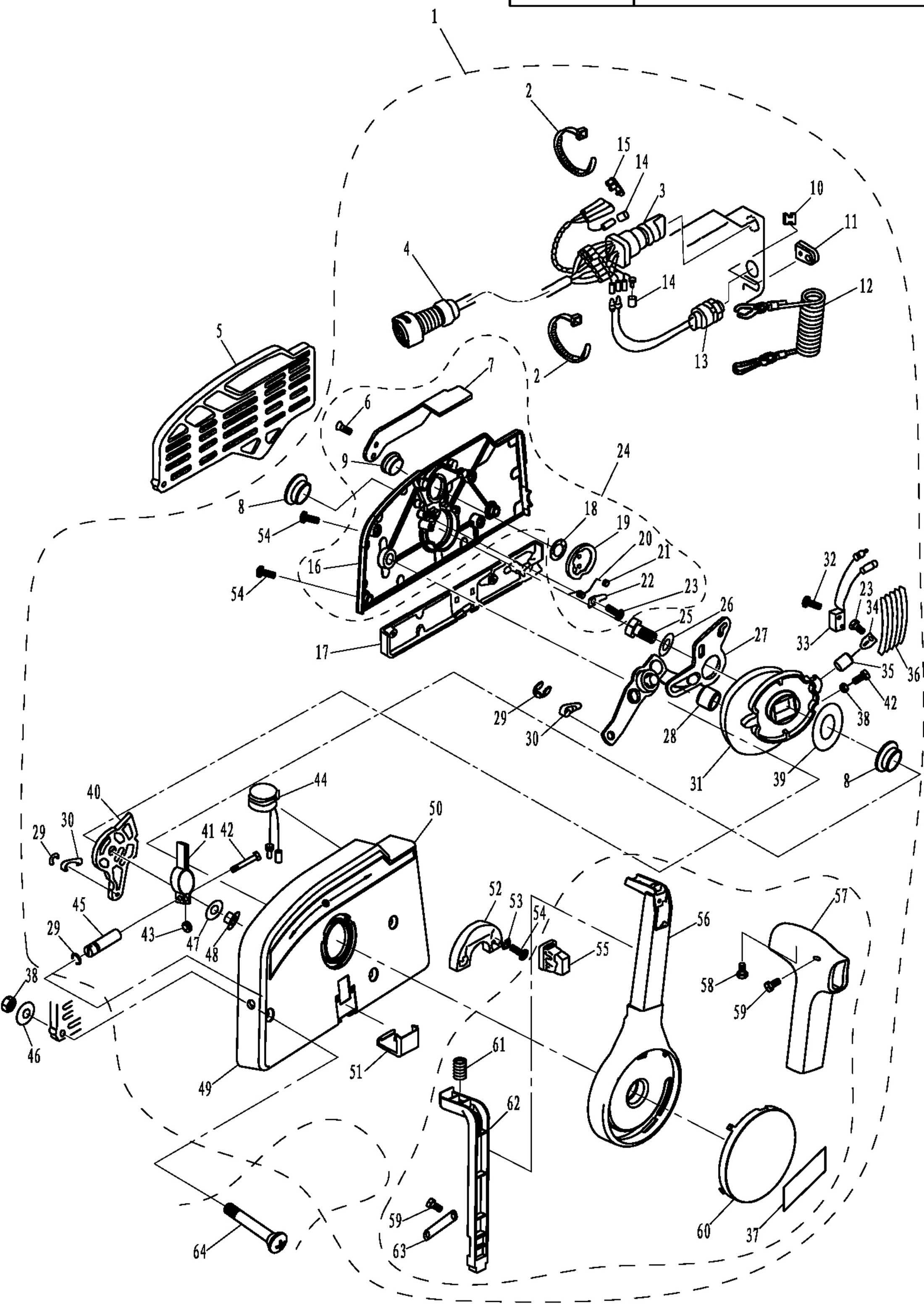
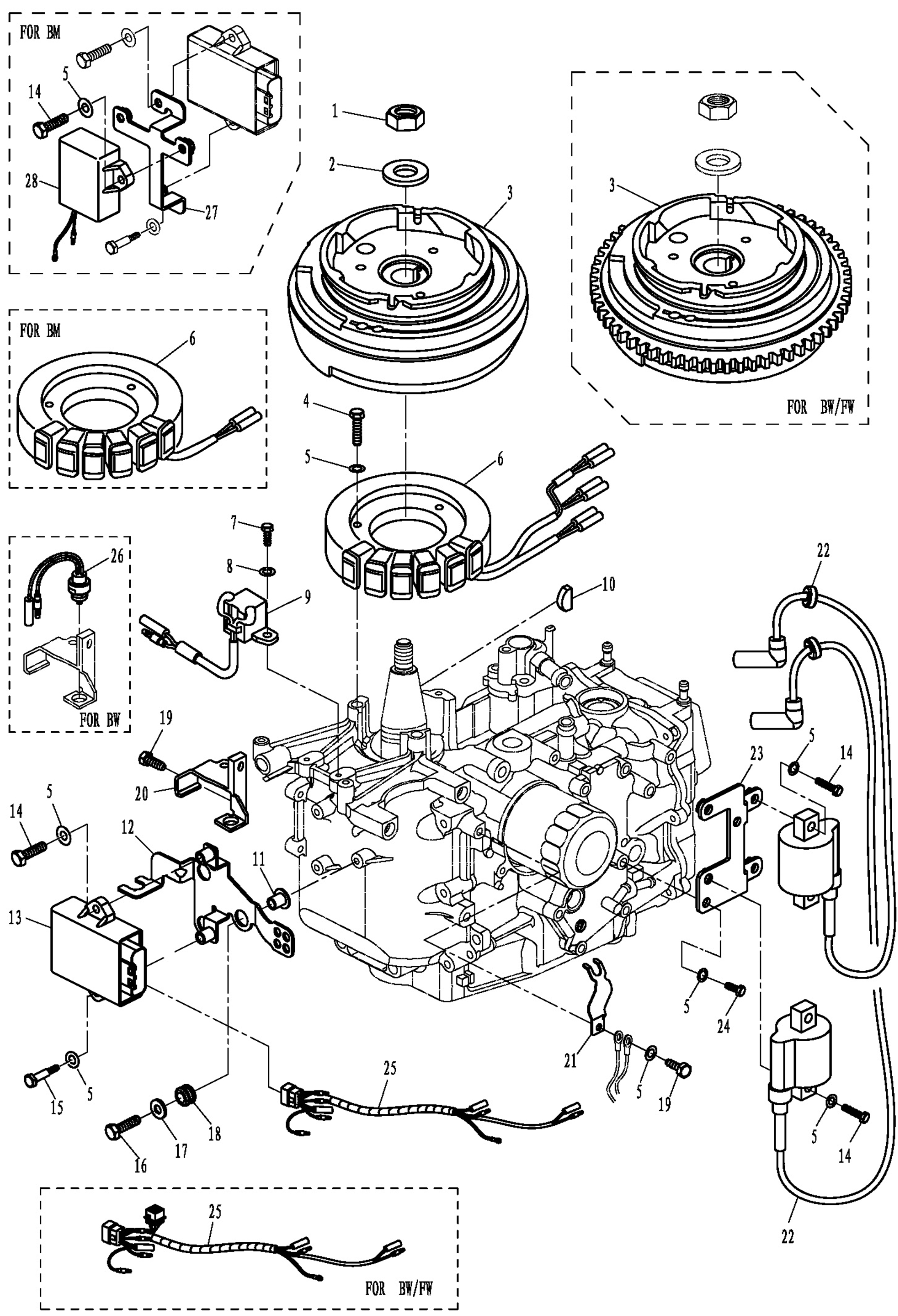
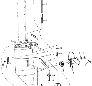
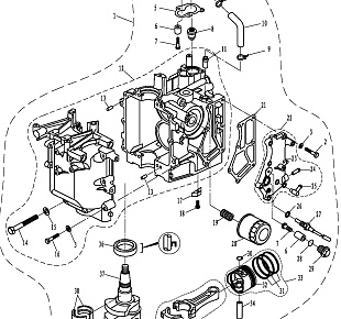
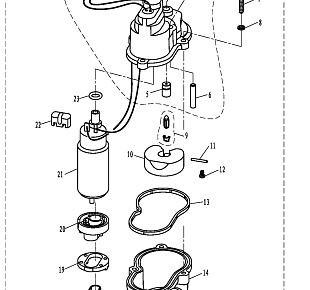
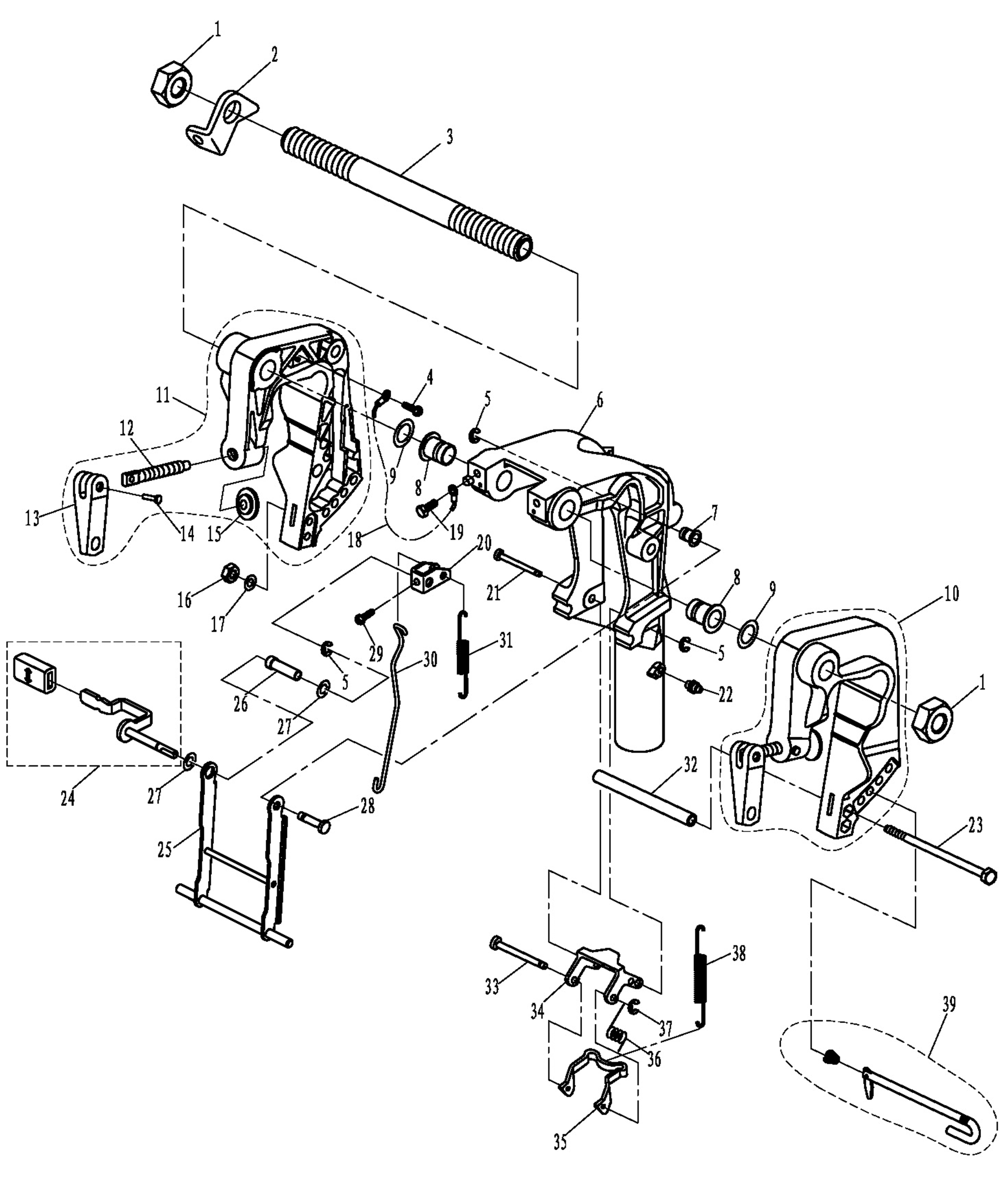
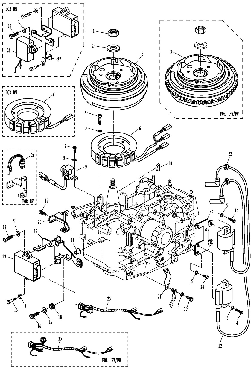
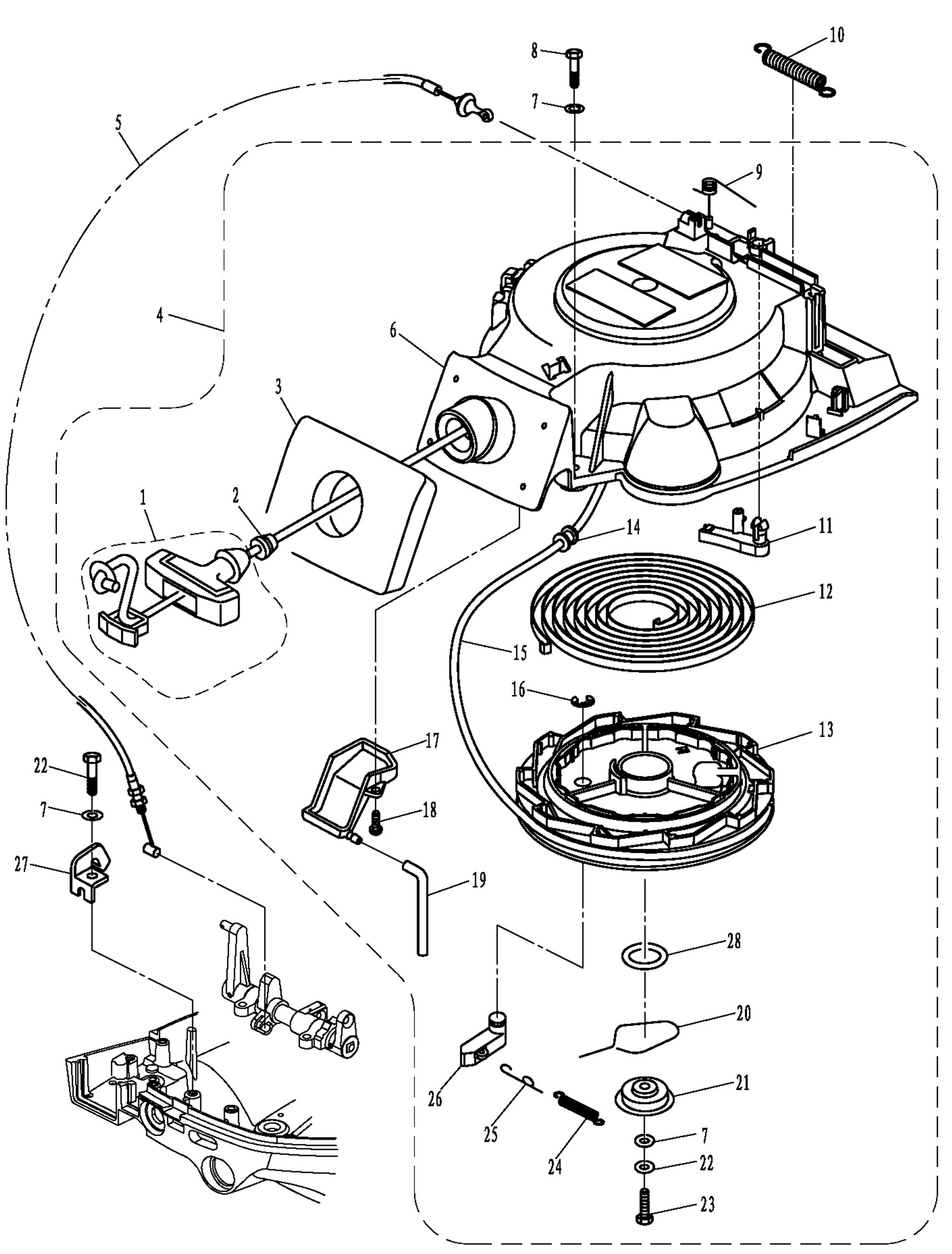
9 | ЭЛЕКТРИЧЕСКАЯ СИСТЕМА 1 | Лодочный мотор | F20AFWS-EFI PARSUN | Запчасти

Ссылка Артикул Наименование детали Используется штук Количество Цена
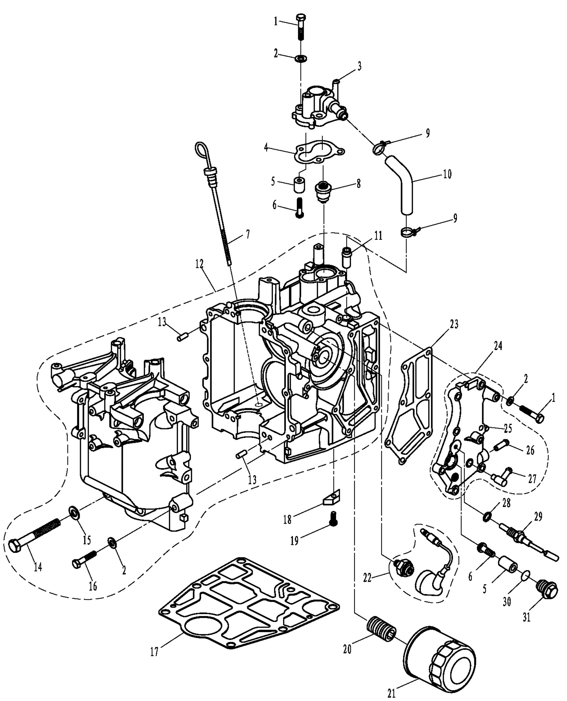
1 F15-07000006

Гайка (90179-16M05) F15-07000006
Используется в агрегатах

615 i
2 F15-07000005

Шайба (90201-16M44) F15-07000005
Используется в агрегатах

248 i
3 F20-05000500MEFI

Маховик (без венца для электростартера)
Используется в агрегатах

13740 i
3 F20-05000500WEFI

Маховик (с венцом для электростартера)
Используется в агрегатах

13740 i
4 GB/T5783-M6X30

Болт GB/T5783-M6x30
Используется в агрегатах

109 i
5 GB/T97.1-6

Шайба (92995-06600) GB/T97.1-6
Используется в агрегатах

31 i
6 F20-05000200

Статор магнето, (6AH-85510-00) F20-05000200
Используется в агрегатах

6950 i
6 F20-05000200MEFI

Статор магнето, ручной запуск F20-05000200MEFI
Используется в агрегатах

6150 i
7 GB/T5783-M5X12

Болт GB/T5783-M5x12
Используется в агрегатах

39 i
8 GB/T97.1-5

Шайба (6Y1-24329-00) GB/T97.1-5
Используется в агрегатах

30 i
9 F20-05000100EFI

Катушка импульсная F20-05000100EFI
Используется в агрегатах

829 i
10 F15-07000004

Шпонка (90280-05013) F15-07000004
Используется в агрегатах

163 i
11 T40-05000704W

Втулка (90387-06289) T40-05000704W
Используется в агрегатах

240 i
12 F20-05000017EFI-B

Крепление F20-05000017EFI-B
Используется в агрегатах

1425 i
13 F20-05001200MEFI

Контроллер BM
Используется в агрегатах

28067 i
13 F20-05001200WEFI

Контроллер унифицированный BM/FW
Используется в агрегатах

26062 i
14 GB/T5783-M6X20

Болт GB/T5783-M6x20
Используется в агрегатах

63 i
15 F20-05000022

Болт F20-05000022
Используется в агрегатах

405 i
16 GB/T5783-M6X25

Болт GB/T5783-M6x25
Используется в агрегатах

63 i
17 GB/T96-6

Шайба GB/T96-6
Используется в агрегатах

30 i
18 T40-05000702W

Демпфер (90480-10M23) T40-05000702W
Используется в агрегатах

46 i
19 GB/T5783-M6X12

Болт (9101E3-5612);(879194261) GB/T5783-M6x12
Используется в агрегатах

31 i
20 F20-05000040W

Крепежная пластина F20-05000040W
Используется в агрегатах

2940 i
21 F20-05000041

Крепежная пластина F20-05000041
Используется в агрегатах

990 i
22 F20-05000400EFI

Катушка зажигания F20-05000400EFI
Используется в агрегатах

1934 i
23 F20-05000401EFI

Крепление F20-05000401EFI
Используется в агрегатах

645 i
24 GB/T5783-M6X16

Болт GB/T5783-M6x16
Используется в агрегатах

49 i
25 F20-05001700MEFI-A

Жгут проводки ручной запуск F20-05001700MEFI-A
Используется в агрегатах

16000 i
25 F20-05001700WEFI-A

Жгут проводки электро запуск F20-05001700WEFI-A
Используется в агрегатах

19800 i
26 T20-06000037W

Датчик нейтрали (6H3-82540-01) T20-06000037W
Используется в агрегатах

1150 i
27 F20-05000043MEFI

Кронштейн F20-05000043MEFI
Используется в агрегатах

940 i
28 F20-05001500EFI

Конденсатор PARSUN F20-05001500EFI
Используется в агрегатах

4740 i