Лодочные моторы PARSUN
2х тактные моторы от 2 л.с. до 90 л.с.
4х тактные моторы от 2.6 л.с. до 130 л.с.
Аксессуары PARSUN
Винты гребные, Масла смазки, Кофры, Баки и канистры
Принадлежности для ТО, Насосы для лодок
Назад

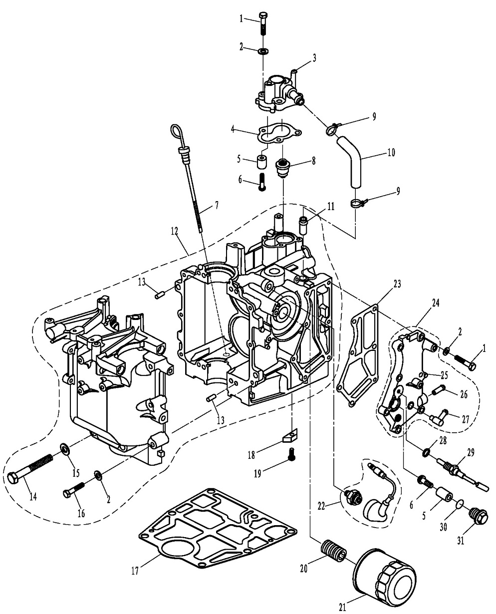
14 | КАРТЕР | Лодочный мотор | F20AFWS-EFI PARSUN | Запчасти

Ссылка Артикул Наименование детали Используется штук Количество Цена
1 GB/T5783-M6X25

Болт GB/T5783-M6x25
Используется в агрегатах

63 i
2 GB/T97.1-6

Шайба (92995-06600) GB/T97.1-6
Используется в агрегатах

31 i
3 F20-05000700

Корпус термостата (6AH-12413-00-1S) F20-05000700
Используется в агрегатах

851 i
4 F20-05000702

Прокладка (6AH-12414-00) F20-05000702
Используется в агрегатах

176 i
5 F4-04070003

Анод (68D-E1325-00) F4-04070003
Используется в агрегатах

210 i
6 GB/T818-M5X25

Винт GB/T818-M5x25
Используется в агрегатах

40 i
7 F20-00000100

Щуп уровня масла (6AH-15362-00) F20-00000100
Используется в агрегатах

930 i
8 T15-04000010

Термостат (688-12411-11) T15-04000010
Используется в агрегатах

535 i
9 HT2.5X50

Хомут HT2.5x50
Используется в агрегатах

Нет в наличии

10 F20-05000016

Патрубок F20-05000016
Используется в агрегатах

74 i
11 F20-05010002

Соединение F20-05010002
Используется в агрегатах

345 i
12 F20-05010000

Картер F20-05010000
Используется в агрегатах

32164 i
13 F15-00000006

Штифт (93606-12019) F15-00000006
Используется в агрегатах

92 i
14 T20-06000028

Болт T20-06000028
Используется в агрегатах

214 i
15 GB/T97.1-8

Шайба (92995-08100) GB/T97.1-8
Используется в агрегатах

15 i
16 F15-07010003

Болт (90401-20M00) F15-07010003
Используется в агрегатах

830 i
17 F20-00000010

Прокладка (6AH-11351-00) F20-00000010
Используется в агрегатах

885 i
18 F15-07010026

Анод (6E5-11325-00) F15-07010026
Используется в агрегатах

260 i
19 GB/T820-M4X12

Винт GB/T820-M4x12
Используется в агрегатах

39 i
20 F15-07010003

Болт (90401-20M00) F15-07010003
Используется в агрегатах

830 i
21 F15-07010023

Масляный фильтр (5GH-13440-00) F15-07010023
Используется в агрегатах

674 i
22 F15-07010100

Датчик давления масла F15-07010100
Используется в агрегатах

579 i
23 F20-05000602

Прокладка (6AH-41114-00) F20-05000602
Используется в агрегатах

266 i
24 F20-05000600EFI

Кожух выхлопной комплект F20-05000600EFI
Используется в агрегатах

1905 i
25 F20-05000601EFI

Крышка выхлопа F20-05000601EFI
Используется в агрегатах

Нет в наличии

26 F4-04010102A

Патрубок F4-04010102A
Используется в агрегатах

104 i
27 F15-04000005

Соединение (676-11372-00) F15-04000005
Используется в агрегатах

430 i
28 GB/T3452.1-8X1.9

Кольцо уплотнительное GB/T3452.1-8X1.9
Используется в агрегатах

120 i
29 F40-05000400

Датчик температуры F40-05000400
Используется в агрегатах

1967 i
30 GB/T3452.1-13X2

Кольцо уплотнительное GB/T3452.1-13x2
Используется в агрегатах

48 i
31 F20-05030009

Болт F20-05030009
Используется в агрегатах

885 i