Лодочные моторы PARSUN
2х тактные моторы от 2 л.с. до 90 л.с.
4х тактные моторы от 2.6 л.с. до 130 л.с.
Аксессуары PARSUN
Винты гребные, Масла смазки, Кофры, Баки и канистры
Принадлежности для ТО, Насосы для лодок
Назад

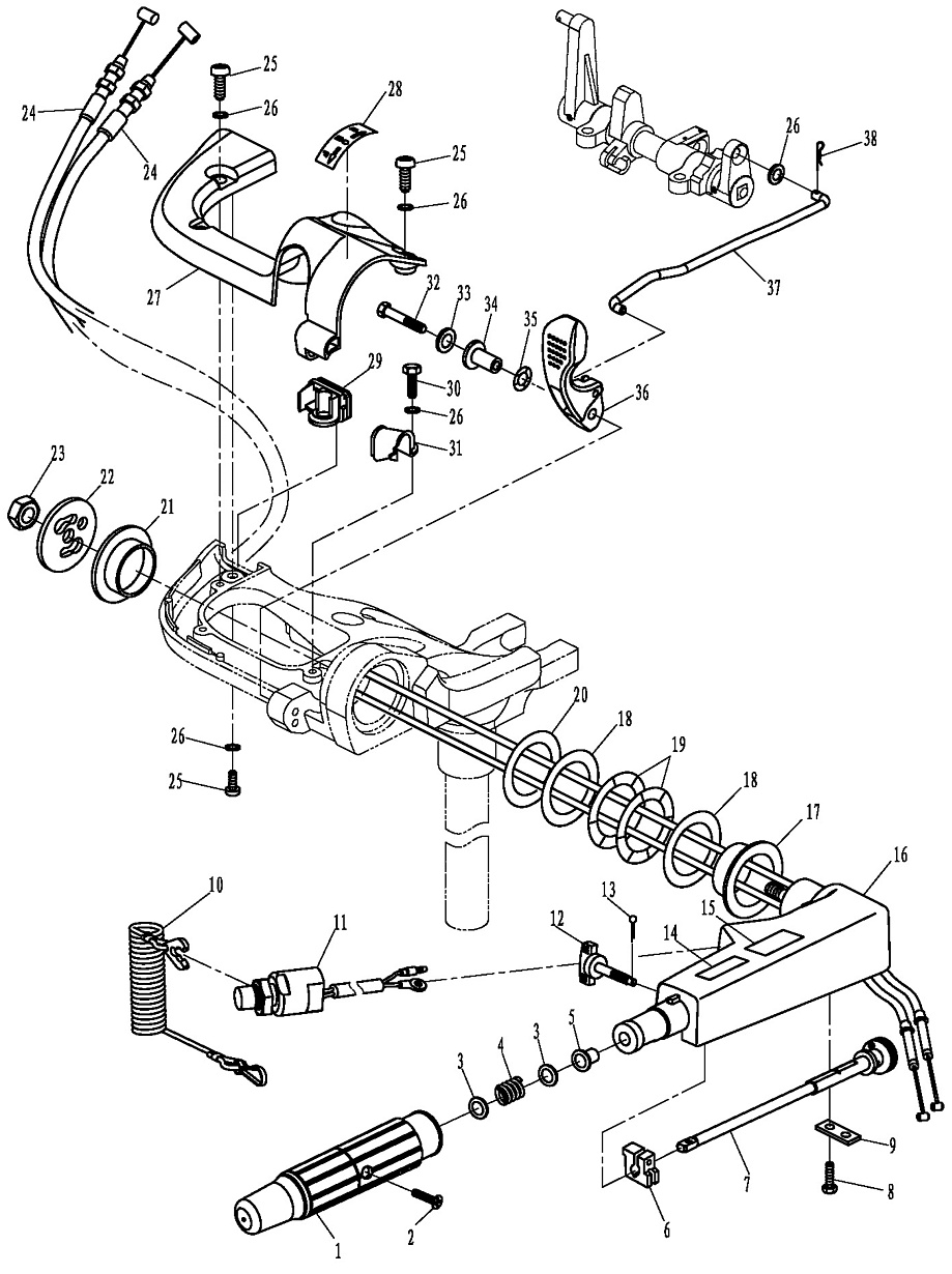
3 | РУЛЕВОЕ УПРАВЛЕНИЕ | Лодочный мотор | F20AFWS-EFI PARSUN | Запчасти

Ссылка Артикул Наименование детали Используется штук Количество Цена
1 F4-01090300

Рукоятка газа комплект F4-01090300
Используется в агрегатах

1289 i
2 GB/T820-M5X25

Винт (90152-05011) GB/T820-M5x25
Используется в агрегатах

39 i
3 GB/T848-10

Шайба (90201-10M02) GB/T848-10
Используется в агрегатах

35 i
4 F4-01090007

Пружина (90501-23215) F4-01090007
Используется в агрегатах

76 i
5 F4-01090006

Втулка (90386-08032) F4-01090006
Используется в агрегатах

44 i
6 F4-01090003

Хомут усилия вращения ручки газа (6G1-42126-00) F4-01090003
Используется в агрегатах

143 i
7 F15-01030100

Рычаг дросселя (65W-42138-00) F15-01030100
Используется в агрегатах

720 i
8 GB/T5783-M6X20

Болт GB/T5783-M6x20
Используется в агрегатах

63 i
9 F15-01030005

Пластина (65W-42159-00) F15-01030005
Используется в агрегатах

74 i
10 F4-01090401

Чека останова (682-82556-00) F4-01090401
Используется в агрегатах

250 i
11 T40-01020101

Выключатель аварийного останова (66T-82575-01) T40-01020101
Используется в агрегатах

665 i
12 F15-01030200

Болт (65W-42125-00) F15-01030200
Используется в агрегатах

740 i
13 GB/T91-1.6X12

Шплинт GB/T91-1.6x12
Используется в агрегатах

15 i
14 F4-08000014

Наклейка F4-08000014
Используется в агрегатах

Нет в наличии

15 F4-08000016

Наклейка F4-08000016
Используется в агрегатах

38 i
16 F15-01030001

Румпель (65W42101-01-4D) F15-01030001
Используется в агрегатах

2910 i
17 F15-01000007

Втулка (90386-40MA0) F15-01000007
Используется в агрегатах

84 i
18 F15-01000008

Шайба (90201-43M00) F15-01000008
Используется в агрегатах

212 i
19 F15-01000009

Шайба (90206-43M22) F15-01000009
Используется в агрегатах

500 i
20 F15-01000012

Шайба (90202-43M57) F15-01000012
Используется в агрегатах

92 i
21 F15-01000011

Втулка (90386-40M99) F15-01000011
Используется в агрегатах

109 i
22 F15-01000013

Накладка (65W-42131-01) F15-01000013
Используется в агрегатах

470 i
23 GB/T6170-M10X1.25

Гайка (95380-10600) GB/T6170-M10x1.25
Используется в агрегатах

320 i
24 F20-01020100

Трос газа (6AH-26311-00) F20-01020100
Используется в агрегатах

443 i
25 GB/T823-M6X16

Винт GB/T823-M6x16
Используется в агрегатах

49 i
26 GB/T97.1-6

Шайба (92995-06600) GB/T97.1-6
Используется в агрегатах

31 i
27 F20-01000003

Кожух поворотного кронштейна F20-01000003
Используется в агрегатах

945 i
28 F8-08000010

Наклейка F8-08000010
Используется в агрегатах

Нет в наличии

29 F20-01000001

Муфта проходная (6AH-42551-00) F20-01000001
Используется в агрегатах

225 i
30 GB/T5783-M6X14

Болт GB/T5783-M6x14
Используется в агрегатах

44 i
31 F20-01000002

Пластина (6AH-44554-00) F20-01000002
Используется в агрегатах

645 i
32 GB/T5783-M6X25

Болт GB/T5783-M6x25
Используется в агрегатах

63 i
33 F25-00000004

Шайба (92992-06100) F25-00000004
Используется в агрегатах

76 i
34 F15-00000008

Проставка F15-00000008
Используется в агрегатах

250 i
35 F15-00000009

Шайба контровочная (90206-13M10) F15-00000009
Используется в агрегатах

92 i
36 F20-00000008

Ручка переключения передач F20-00000008
Используется в агрегатах

370 i
37 F20-00000009

Тяга переключения F20-00000009
Используется в агрегатах

500 i
38 F15-00000012

Защелка пружинная (90468-18008) F15-00000012
Используется в агрегатах

44 i