Лодочные моторы PARSUN
2х тактные моторы от 2 л.с. до 90 л.с.
4х тактные моторы от 2.6 л.с. до 130 л.с.
Аксессуары PARSUN
Винты гребные, Масла смазки, Кофры, Баки и канистры
Принадлежности для ТО, Насосы для лодок
Назад

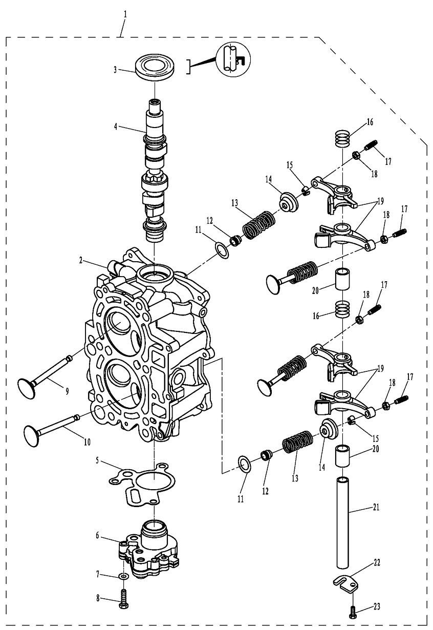
23 | ГОЛОВКА ЦИЛИНДРА В СБОРЕ (РЕМОНТНЫЙ КОМПЛЕКТ) | Лодочный мотор | F20AFWS-EFI PARSUN | Запчасти

Ссылка Артикул Наименование детали Используется штук Количество Цена
1 F20-05030000

Головка блока цилиндров в сборе F20-05030000
Используется в агрегатах

33064 i
2 F20-05030100

Головка блока цилиндров (6AH-11111-00-94) F20-05030100
Используется в агрегатах

18438 i
3 F20-05030005

Сальник (93102-22009) F20-05030005
Используется в агрегатах

380 i
4 F20-05030200

Распредвал (6AH-12170-00) F20-05030200
Используется в агрегатах

8200 i
5 F20-05030010

Прокладка (6AH-13329-00) F20-05030010
Используется в агрегатах

351 i
6 F20-05030400

Маслонасос (6AH-13300-00) F20-05030400
Используется в агрегатах

3843 i
7 GB/T97.1-6

Шайба (92995-06600) GB/T97.1-6
Используется в агрегатах

31 i
8 F8-05000022

Болт F8-05000022
Используется в агрегатах

57 i
9 F20-05030001

Клапан Впуск (6AH-12111-00) F20-05030001
Используется в агрегатах

562 i
10 F20-05030002

Клапан Выпуск (6AH-12121-00) F20-05030002
Используется в агрегатах

685 i
11 F20-05030003

Тарелка пружины клапана F20-05030003
Используется в агрегатах

76 i
12 166F-010003

Сальник (51Y-12119-00) 166F-010003
Используется в агрегатах

103 i
13 F20-05030004

Пружина (3YF-12113-00) F20-05030004
Используется в агрегатах

150 i
14 F15-07040006

Тарелка F15-07040006
Используется в агрегатах

180 i
15 F15-07040007

Сухарь клапана (30X-12118-00) F15-07040007
Используется в агрегатах

51 i
16 F20-05030007

Пружина (90501-120A5) F20-05030007
Используется в агрегатах

69 i
17 F15-07040303

Винт (62Y-12159-00) F15-07040303
Используется в агрегатах

Нет в наличии

18 F15-07040304

Гайка (62Y-12158-00) F15-07040304
Используется в агрегатах

Нет в наличии

19 F20-05030301

Коромысло (6AH-12151-00) F20-05030301
Используется в агрегатах

2025 i
20 F20-05030006

Втулка (90387-13006) F20-05030006
Используется в агрегатах

74 i
21 F15-07040015

Ось коромысла (66M-12146-00) F15-07040015
Используется в агрегатах

1660 i
22 F20-05030008

Пластина (6AH-12279-00) F20-05030008
Используется в агрегатах

84 i
23 GB/T5783-M6X12

Болт (9101E3-5612);(879194261) GB/T5783-M6x12
Используется в агрегатах

31 i