 |
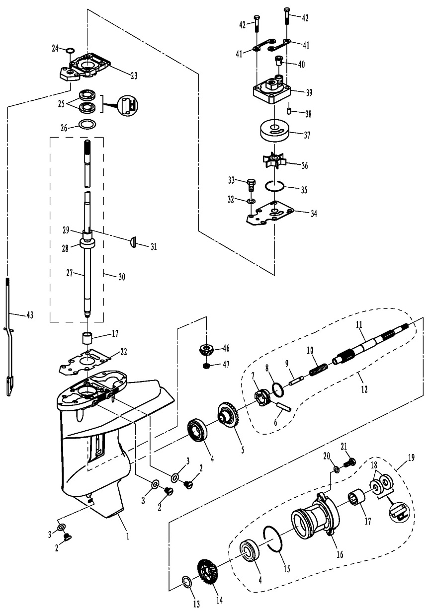
1 |
F20-04000001E |
Корпус редуктора F20-04000001E
Используется в агрегатах
|
|
|
17042 i |
|
 |
2 |
F4-03000023 |
Болт (90340-08002) F4-03000023
Используется в агрегатах
|
|
|
143 i |
|
 |
3 |
F4-03000024 |
Прокладка сливного болта (90430-08020) F4-03000024
Используется в агрегатах
|
|
|
40 i |
|
 |
4 |
GB/T276-6205C3 |
Подшипник (93306-205YD) GB/T276-6205C3
Используется в агрегатах
|
|
|
305 i |
|
 |
5 |
F20-04000100E |
Шестерня переднего хода ( смотрите комплект ниже F20-04000070E )
Используется в агрегатах
|
|
|
4129 i |
|
 |
6 |
F15-06070004 |
Штифт (90250-05010) F15-06070004
Используется в агрегатах
|
|
|
84 i |
|
 |
7 |
F20-04050002E |
Муфта переключения хода F20-04050002E
Используется в агрегатах
|
|
|
1432 i |
|
 |
8 |
F15-06070005 |
Кольцо (648-45633-00) F15-06070005
Используется в агрегатах
|
|
|
33 i |
|
 |
9 |
F15-06070006 |
Толкатель (650-45635-00) F15-06070006
Используется в агрегатах
|
|
|
253 i |
|
 |
10 |
F15-06070002 |
Пружина (90501-14M06) F15-06070002
Используется в агрегатах
|
|
|
36 i |
|
 |
11 |
F20-04050001E |
Вал гребного винта F20-04050001E
Используется в агрегатах
|
|
|
7526 i |
|
 |
12 |
F20-04050000E |
Вал гребного винта в сборе F20-04050000E
Используется в агрегатах
|
|
|
9976 i |
|
 |
13 |
F15-06070007 |
Шайба (90201-17682) F15-06070007
Используется в агрегатах
|
|
|
38 i |
|
 |
14 |
F20-04060003E |
Шестерня заднего хода ( смотрите комплект ниже F20-04000070E )
Используется в агрегатах
|
|
|
3834 i |
|
 |
15 |
F20-04060002E |
Кольцо уплотнительное (121-32071-0);(803735) F20-04060002E
Используется в агрегатах
|
|
|
238 i |
|
 |
16 |
F20-04060001E |
Корпус подшипников гребного вала F20-04060001E
Используется в агрегатах
|
|
|
1597 i |
|
 |
17 |
IKO-TAI1720Z |
Подшипник (362-60211-0);(803734) IKO-TAI1720Z
Используется в агрегатах
|
|
|
745 i |
|
 |
18 |
F15-06080004 |
Сальник (93101-17054) F15-06080004
Используется в агрегатах
|
|
|
270 i |
|
 |
19 |
F20-04060000E |
Корпус подшипников гребного вала в сборе F20-04060000E
Используется в агрегатах
|
|
|
5310 i |
|
 |
20 |
GB/T97.1-6 |
Шайба (92995-06600) GB/T97.1-6
Используется в агрегатах
|
|
|
31 i |
|
 |
21 |
GB/T5783-M6X20 |
Болт GB/T5783-M6x20
Используется в агрегатах
|
|
|
63 i |
|
 |
22 |
F20-04000004E |
Прокладка F20-04000004E
Используется в агрегатах
|
|
|
285 i |
|
 |
23 |
F20-04010001E |
Корпус F20-04010001E
Используется в агрегатах
|
|
|
1475 i |
|
 |
24 |
F15-06020004 |
Кольцо уплотнительное (93210-06ME6) F15-06020004
Используется в агрегатах
|
|
|
73 i |
|
 |
25 |
F15-06020003 |
Сальник (93101-20048) F15-06020003
Используется в агрегатах
|
|
|
306 i |
|
 |
26 |
F20-04000005E-3 |
Шайба регулировочная 0,3мм (346-64083-0);(813276003) F20-04000005E-3
Используется в агрегатах
|
|
|
339 i |
|
 |
26 |
F20-04000005E-5 |
Шайба регулировочная 0,5мм F20-04000005E-5
Используется в агрегатах
|
|
|
339 i |
|
 |
26 |
F20-04000005E-1 |
Шайба регулировочная 0,1мм F20-04000005E-1
Используется в агрегатах
|
|
|
339 i |
|
 |
26 |
F20-04000005E-2 |
Шайба регулировочная 0,15мм F20-04000005E-2
Используется в агрегатах
|
|
|
130 i |
|
 |
27 |
F20-04030001EL |
Вертикальный вал F20-04030001EL
Используется в агрегатах
|
|
|
Нет в наличии |
|
 |
27 |
F20-04030000ES |
Вертикальный вал в сборе F20-04030000ES
Используется в агрегатах
|
|
|
15897 i |
|
 |
28 |
GB/T276-6302 |
Подшипник шариковый (9601-0-6302);(161325) GB/T276-6302
Используется в агрегатах
|
|
|
530 i |
|
 |
29 |
F15-06040002 |
Муфта вертикального вала F15-06040002
Используется в агрегатах
|
|
|
990 i |
|
 |
30 |
F20-04030000EL |
Вертикальный вал в сборе F20-04030000EL
Используется в агрегатах
|
|
|
15640 i |
|
 |
30 |
F20-04030000ES |
Вертикальный вал в сборе F20-04030000ES
Используется в агрегатах
|
|
|
15897 i |
|
 |
31 |
F15-06000013 |
Шпонка (63V-44338-00) F15-06000013
Используется в агрегатах
|
|
|
166 i |
|
 |
32 |
GB/T97.1-8 |
Шайба (92995-08100) GB/T97.1-8
Используется в агрегатах
|
|
|
15 i |
|
 |
33 |
GB/T5783-M8X25 |
Болт (97075-08025) GB/T5783-M8x25
Используется в агрегатах
|
|
|
102 i |
|
 |
34 |
F20-04000002 |
Пластина крыльчатки (68T-44323-00) F20-04000002
Используется в агрегатах
|
|
|
1100 i |
|
 |
35 |
JASO-F404-31-045 |
Кольцо уплотнительное JASO-F404-31-045
Используется в агрегатах
|
|
|
200 i |
|
 |
36 |
F15-06050000 |
Крыльчатка (63V-44352-00) F15-06050000
Используется в агрегатах
|
|
|
510 i |
|
 |
37 |
F15-06060002 |
Стакан крыльчатки (63V-44322-00) F15-06060002
Используется в агрегатах
|
|
|
997 i |
|
 |
38 |
F15-00000013 |
Штифт (93604-10M03) F15-00000013
Используется в агрегатах
|
|
|
92 i |
|
 |
39 |
F20-04040001 |
Корпус водяного насоса (6AH-44311-00) F20-04040001
Используется в агрегатах
|
|
|
493 i |
|
 |
40 |
F25-04050004 |
Уплотнительная втулка трубки охлаждения(6L2-44367-00) F25-04050004
Используется в агрегатах
|
|
|
70 i |
|
 |
41 |
F15-06000014 |
Пластина водяного насоса (63V-44328-00) F15-06000014
Используется в агрегатах
|
|
|
52 i |
|
 |
42 |
GB/T5783-M8X45 |
Болт GB/T5783-M8x45
Используется в агрегатах
|
|
|
130 i |
|
 |
43 |
F20-04020000L |
Механизм переключения хода (6AH-44150-10) F20-04020000L
Используется в агрегатах
|
|
|
770 i |
|
 |
43 |
F20-04020000S |
Механизм переключения хода (6AH-44150-00) F20-04020000S
Используется в агрегатах
|
|
|
720 i |
|
 |
44 |
F20-04000007E |
Шестерня горизонтального вала ( смотрите комплект ниже F20-04000070E )
Используется в агрегатах
|
|
|
2048 i |
|
 |
45 |
F25-04000006 |
Гайка (90179-10M14) F25-04000006
Используется в агрегатах
|
|
|
760 i |
|
 |
|
F20-04000050 |
Ремкомплект водяного насоса F20-04000050
Используется в агрегатах
|
|
|
2270 i |
|
 |
|
F20-04000070E |
Комплект шестерен редуктора F20-04000070E
Используется в агрегатах
|
|
|
7100 i |
|