Лодочные моторы PARSUN
2х тактные моторы от 2 л.с. до 90 л.с.
4х тактные моторы от 2.6 л.с. до 130 л.с.
Аксессуары PARSUN
Винты гребные, Масла смазки, Кофры, Баки и канистры
Принадлежности для ТО, Насосы для лодок
Назад

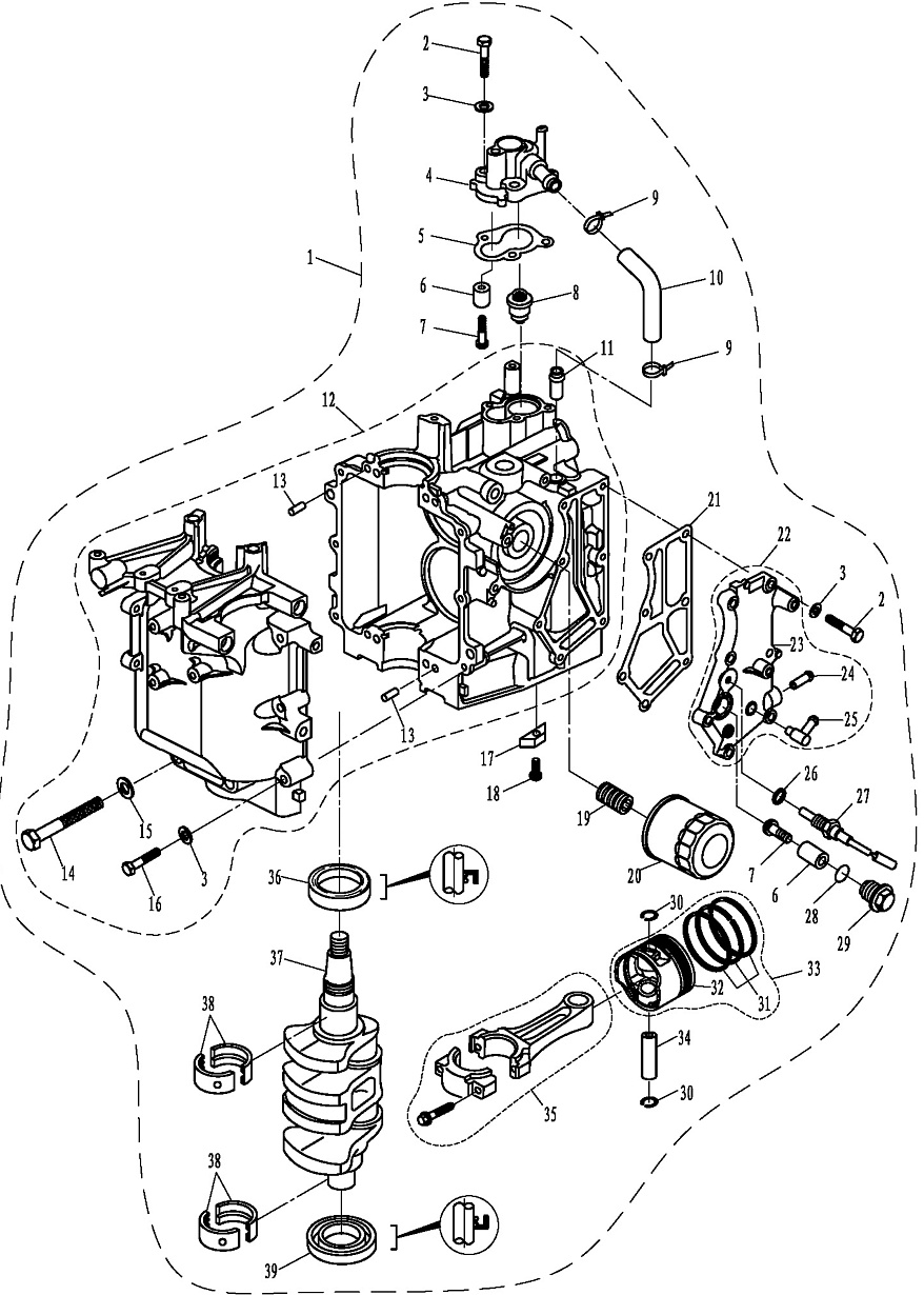
24 | ДВИГАТЕЛЬ В СБОРЕ (РЕМКОМПЛЕКТ) | Лодочный мотор | F20AFWS-EFI PARSUN | Запчасти

Ссылка Артикул Наименование детали Используется штук Количество Цена
1 F20-05000000

Двигатель в сборе F20-05000000
Используется в агрегатах

63578 i
2 GB/T5783-M6X25

Болт GB/T5783-M6x25
Используется в агрегатах

63 i
3 GB/T97.1-6

Шайба (92995-06600) GB/T97.1-6
Используется в агрегатах

31 i
4 F20-05000700

Корпус термостата (6AH-12413-00-1S) F20-05000700
Используется в агрегатах

851 i
5 F20-05000702

Прокладка (6AH-12414-00) F20-05000702
Используется в агрегатах

176 i
6 F4-04070003

Анод (68D-E1325-00) F4-04070003
Используется в агрегатах

210 i
7 GB/T818-M5X25

Винт GB/T818-M5x25
Используется в агрегатах

40 i
8 T15-04000010

Термостат (688-12411-11) T15-04000010
Используется в агрегатах

535 i
9 HT2.5X50

Хомут HT2.5x50
Используется в агрегатах

Нет в наличии

10 F20-05000016

Патрубок F20-05000016
Используется в агрегатах

74 i
11 F20-05010002

Соединение F20-05010002
Используется в агрегатах

345 i
12 F20-05010000

Картер F20-05010000
Используется в агрегатах

32164 i
13 F15-00000006

Штифт (93606-12019) F15-00000006
Используется в агрегатах

92 i
14 T20-06000028

Болт T20-06000028
Используется в агрегатах

214 i
15 GB/T97.1-8

Шайба (92995-08100) GB/T97.1-8
Используется в агрегатах

15 i
16 F15-07010003

Болт (90401-20M00) F15-07010003
Используется в агрегатах

830 i
17 F15-07010026

Анод (6E5-11325-00) F15-07010026
Используется в агрегатах

260 i
18 GB/T820-M4X12

Винт GB/T820-M4x12
Используется в агрегатах

39 i
19 F15-07010003

Болт (90401-20M00) F15-07010003
Используется в агрегатах

830 i
20 F15-07010023

Масляный фильтр (5GH-13440-00) F15-07010023
Используется в агрегатах

674 i
21 F20-05000602

Прокладка (6AH-41114-00) F20-05000602
Используется в агрегатах

266 i
22 F20-05000600

Кожух выхлопной (6AH-41113-00-1S) F20-05000600
Используется в агрегатах

1480 i
23 F20-05000601

Крышка выхлопа F20-05000601
Используется в агрегатах

1060 i
24 F4-04010102A

Патрубок F4-04010102A
Используется в агрегатах

104 i
25 F15-04000005

Соединение (676-11372-00) F15-04000005
Используется в агрегатах

430 i
26 GB/T3452.1-8X1.9

Кольцо уплотнительное GB/T3452.1-8X1.9
Используется в агрегатах

120 i
27 F40-05000400

Датчик температуры F40-05000400
Используется в агрегатах

1967 i
28 GB/T3452.1-13X2

Кольцо уплотнительное GB/T3452.1-13x2
Используется в агрегатах

48 i
29 F20-050300091

BOLT, ANODE
Используется в агрегатах

Нет в наличии

30 F20-05020002

Стопорное кольцо (93450-17129) F20-05020002
Используется в агрегатах

14 i
31 F20-05020100

Поршевые кольца (6AH-11603-00) F20-05020100
Используется в агрегатах

787 i
32 F20-05020001

Поршень (6AH-11631-00) F20-05020001
Используется в агрегатах

901 i
33 F20-05020300

Поршень в сборе F20-05020300
Используется в агрегатах

Нет в наличии

34 F20-05020003

Палец поршневой (137-11633-10) F20-05020003
Используется в агрегатах

221 i
35 F20-05020200

Шатун в сборе (6AH-11650-00) F20-05020200
Используется в агрегатах

1727 i
36 F25-05050021

Сальник (93102-37M40) F25-05050021
Используется в агрегатах

225 i
37 F20-05020004

Коленвал (6AH-11411-00) F20-05020004
Используется в агрегатах

18255 i
38 F20-05010003

Коренной вкладыш (6AH-11416-20(棕褐色)) F20-05010003
Используется в агрегатах

252 i
39 F15-07030006

Сальник (93102-35M51) F15-07030006
Используется в агрегатах

435 i