Лодочные моторы PARSUN
2х тактные моторы от 2 л.с. до 90 л.с.
4х тактные моторы от 2.6 л.с. до 130 л.с.
Аксессуары PARSUN
Винты гребные, Масла смазки, Кофры, Баки и канистры
Принадлежности для ТО, Насосы для лодок
Назад

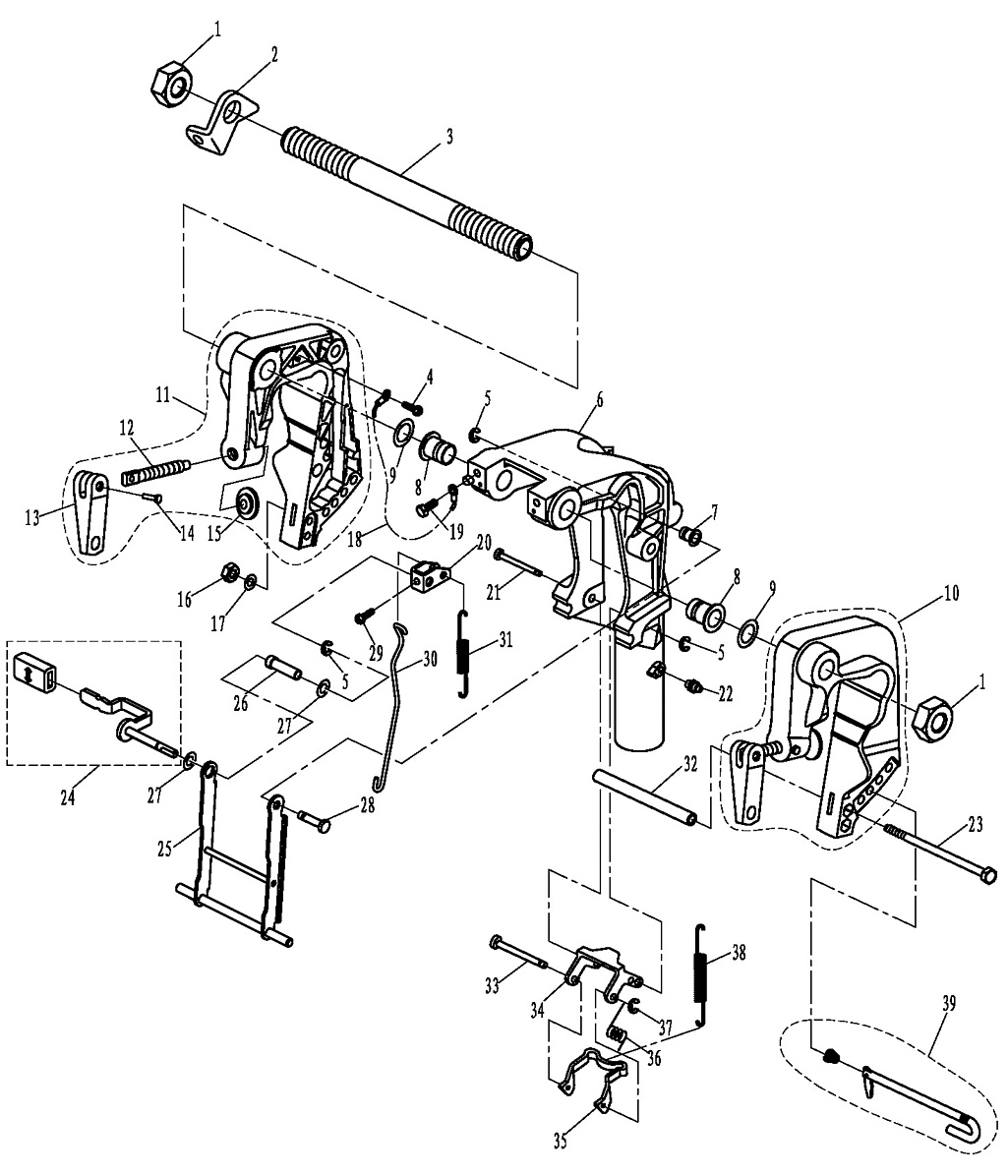
1 | КРОНШТЕЙН 1 | Лодочный мотор | F20AFWS-EFI PARSUN | Запчасти

Ссылка Артикул Наименование детали Используется штук Количество Цена
1 F15-01010007

Гайка (90185-22M11) F15-01010007
Используется в агрегатах

970 i
2 F15-01010003

Пластина (6J8-43113-01) F15-01010003
Используется в агрегатах

750 i
3 F15-01010001

Болт (63W-43131-10) F15-01010001
Используется в агрегатах

3280 i
4 GB/T818-M6X8

Винт GB/T818-M6x8
Используется в агрегатах

63 i
5 GB/T896-5

Стопорные кольца (99080-05600) GB/T896-5
Используется в агрегатах

31 i
6 F15-01010301L

Поворотный кронштейн F15-01010301L
Используется в агрегатах

13275 i
6 F15-01010301S

Поворотный кронштейн (63V-43311-03-4D) F15-01010301S
Используется в агрегатах

12390 i
7 F15-01010311

Втулка F15-01010311
Используется в агрегатах

51 i
8 F15-01010302

Втулка (90386-22M94) F15-01010302
Используется в агрегатах

138 i
9 F15-01010002

Шайба контровочная (90202-22M54) F15-01010002
Используется в агрегатах

277 i
10 F15-01010100

Струбцина левая (63V-43111-00-4D) F15-01010100
Используется в агрегатах

6195 i
11 F15-01010200

Струбцина правая (63V-43112-01-4D) F15-01010200
Используется в агрегатах

6195 i
12 F25-01010104

Винт (90149-14M12) F25-01010104
Используется в агрегатах

1660 i
13 F4-01010004

Ручка зажима (69M-G3118-00) F4-01010004
Используется в агрегатах

133 i
14 F4-01010005

Штифт (90243-04M01) F4-01010005
Используется в агрегатах

43 i
15 F4-01010003

Шайба прижимная (6F5-43114-00) F4-01010003
Используется в агрегатах

177 i
16 GB/T6170-M6

Гайка (95303-06600) GB/T6170-M6
Используется в агрегатах

45 i
17 GB/T97.1-6

Шайба (92995-06600) GB/T97.1-6
Используется в агрегатах

31 i
18 F15-01010202

Кабель заземления (6E5-82148-00) F15-01010202
Используется в агрегатах

345 i
19 GB/T5783-M8X12

Болт (97313-08012) GB/T5783-M8x12
Используется в агрегатах

74 i
20 F15-01010306

Рычаг (63V-43641-00) F15-01010306
Используется в агрегатах

210 i
21 F15-01010316

Ось (63V-43659-00) F15-01010316
Используется в агрегатах

345 i
22 JB/T9740.1-M6

Масленка (93700-06M03) JB/T9740.1-M6
Используется в агрегатах

173 i
23 GB/T5782-M6X145

Болт GB/T5782-M6x145
Используется в агрегатах

620 i
24 F15-01010305

Ручка скобы фиксатора положения мотора (63V-43630-00) F15-01010305
Используется в агрегатах

1290 i
25 F15-01010313A

Фиксатор откидки F15-01010313A
Используется в агрегатах

1068 i
26 F15-01010308

Втулка F15-01010308
Используется в агрегатах

210 i
27 F15-01010309

Шайба контровочная F15-01010309
Используется в агрегатах

68 i
28 F15-01010312A

Палец F15-01010312A
Используется в агрегатах

180 i
29 GB/T818-M5X6

Винт GB/T818-M5x6
Используется в агрегатах

39 i
30 F15-01010307A

Тяга фиксатора откидки F15-01010307A
Используется в агрегатах

115 i
31 F15-01010304

Пружина (90507-20M00) F15-01010304
Используется в агрегатах

103 i
32 F15-01010006

Проставка (90387-06M13) F15-01010006
Используется в агрегатах

420 i
33 F15-01010317-3

Палец (63V-43611-00) F15-01010317-3
Используется в агрегатах

310 i
34 F15-01010317-2

Кронштейн (63V-43615-00) F15-01010317-2
Используется в агрегатах

950 i
35 F15-01010317-1

Кронштейн (63V-43614-00) F15-01010317-1
Используется в агрегатах

850 i
36 F15-01010315

Пружина F15-01010315
Используется в агрегатах

138 i
37 GB/T896-4

Стопорное кольцо GB/T896-4
Используется в агрегатах

Нет в наличии

38 F15-01010314A

Пружина F15-01010314A
Используется в агрегатах

196 i
39 F15-01010400

Ось угла наклона (689-43160-00) F15-01010400
Используется в агрегатах

769 i