 |
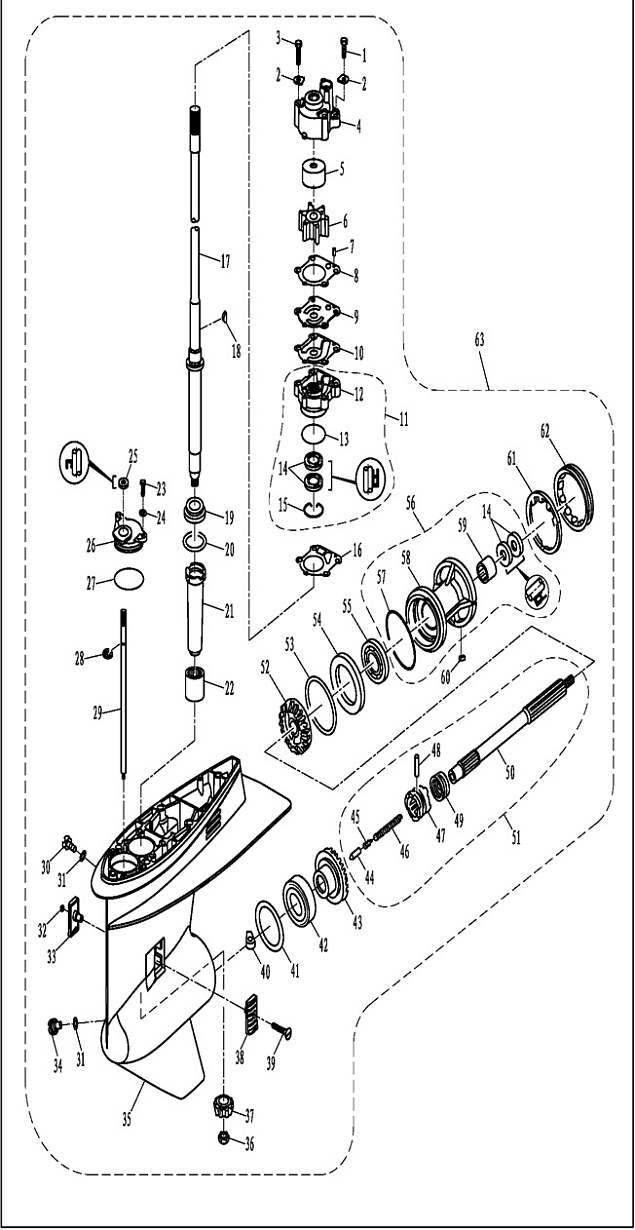
1 |
GB/T5782-M8X50 |
Болт GB/T5782-M8x50
Используется в агрегатах
|
|
|
147 i |
|
 |
2 |
T40-04000012 |
Пластина крыльчатки T40-04000012
Используется в агрегатах
|
|
|
70 i |
|
 |
3 |
GB/T5782-M8X70 |
Болт GB/T5782-M8x70
Используется в агрегатах
|
|
|
320 i |
|
 |
4 |
T85-04000401 |
Корпус водяного насоса (688-44311-01) T85-04000401
Используется в агрегатах
|
|
|
580 i |
|
 |
5 |
T85-04000402 |
Стакан крыльчатки (688-44322-41) T85-04000402
Используется в агрегатах
|
|
|
1350 i |
|
 |
6 |
T85-04000300 |
Крыльчатка (688-44352-02) T85-04000300
Используется в агрегатах
|
|
|
1330 i |
|
 |
7 |
F25-04000007 |
Штифт (93604-10M03) F25-04000007
Используется в агрегатах
|
|
|
92 i |
|
 |
8 |
T85-04000017 |
Прокладка (688-44315-A0) T85-04000017
Используется в агрегатах
|
|
|
200 i |
|
 |
9 |
T85-04000016 |
Пластина крыльчатки (688-44323-40) T85-04000016
Используется в агрегатах
|
|
|
1030 i |
|
 |
10 |
T85-04000015 |
Прокладка (688-44324-A0) T85-04000015
Используется в агрегатах
|
|
|
250 i |
|
 |
11 |
T85-04000200 |
Корпус водяного насоса комплект (688-44341-01-94)T85-04000200
Используется в агрегатах
|
|
|
1570 i |
|
 |
12 |
T85-04000201 |
Корпус водяного насоса (6D8-44341-01-CA) T85-04000201
Используется в агрегатах
|
|
|
1240 i |
|
 |
13 |
T85-04000204 |
Кольцо уплотнительное (93210-46044) T85-04000204
Используется в агрегатах
|
|
|
375 i |
|
 |
14 |
T85-04000202 |
Сальник (93101-25M03) T85-04000202
Используется в агрегатах
|
|
|
350 i |
|
 |
15 |
T85-04000203 |
Стопорное кольцо (93450-44166) T85-04000203
Используется в агрегатах
|
|
|
138 i |
|
 |
16 |
T85-04000014 |
Прокладка (688-44316-A0) T85-04000014
Используется в агрегатах
|
|
|
250 i |
|
 |
17 |
T85-04010000L |
DRIVE SHAFT ASSY L > ART YAMAHA >>> 688-45501-11
Используется в агрегатах
|
|
|
23060 i |
|
 |
17 |
T85-04010000X |
DRIVE SHAFT ASSY X > ART YAMAHA >>> 688-45501-22
Используется в агрегатах
|
|
|
24690 i |
|
 |
18 |
T85-04000018 |
Шпонка (90280-04M04) T85-04000018
Используется в агрегатах
|
|
|
330 i |
|
 |
19 |
L44649H1-CAP |
Подшипник L44649H1-CAP
Используется в агрегатах
|
|
|
5690 i |
|
 |
20 |
T85-04000003-1 |
Шайба регулировочная 0,12мм (688-45587-01) T85-04000003-1
Используется в агрегатах
|
|
|
Нет в наличии |
|
 |
20 |
T85-04000003-2 |
Шайба регулировочная 0,3мм (688-45587-10) T85-04000003-2
Используется в агрегатах
|
|
|
675 i |
|
 |
20 |
T85-04000003-3 |
Шайба регулировочная 0,4мм (688-45587-20) T85-04000003-3
Используется в агрегатах
|
|
|
Нет в наличии |
|
 |
20 |
T85-04000003-4 |
Шайба регулировочная 0,5мм (688-45587-30) T85-04000003-4
Используется в агрегатах
|
|
|
Нет в наличии |
|
 |
20 |
T85-04000003-5 |
Шайба регулировочная 0,3мм (688-45587-40) T85-04000003-5
Используется в агрегатах
|
|
|
675 i |
|
 |
20 |
T85-04000003-6 |
Шайба регулировочная 0,4мм (688-45587-50) T85-04000003-6
Используется в агрегатах
|
|
|
675 i |
|
 |
20 |
T85-04000003-7 |
Шайба регулировочная 0,5мм (688-45587-60) T85-04000003-7
Используется в агрегатах
|
|
|
675 i |
|
 |
21 |
T85-04000002 |
Втулка (688-45536-01) T85-04000002
Используется в агрегатах
|
|
|
370 i |
|
 |
22 |
NSK-1620 |
Подшипник игольчатый NSK-1620
Используется в агрегатах
|
|
|
5980 i |
|
 |
23 |
GB/T5783-M6X16 |
Болт GB/T5783-M6x16
Используется в агрегатах
|
|
|
49 i |
|
 |
24 |
GB/T97.1-6 |
Шайба (92995-06600) GB/T97.1-6
Используется в агрегатах
|
|
|
31 i |
|
 |
25 |
T85-04000011 |
Сальник (93106-09014) T85-04000011
Используется в агрегатах
|
|
|
210 i |
|
 |
26 |
T85-04000009 |
Пластина (688-45321-00) T85-04000009
Используется в агрегатах
|
|
|
300 i |
|
 |
27 |
JASO-F404-31-050 |
Кольцо уплотнительное JASO-F404-31-050
Используется в агрегатах
|
|
|
285 i |
|
 |
28 |
GB/T896-8 |
Стопорное кольцо (99001-08600) GB/T896-8
Используется в агрегатах
|
|
|
44 i |
|
 |
29 |
T85-04000008 |
Вал переключения хода (663-43144-01) T85-04000008
Используется в агрегатах
|
|
|
3870 i |
|
 |
30 |
F4-03000023 |
Болт (90340-08002) F4-03000023
Используется в агрегатах
|
|
|
143 i |
|
 |
31 |
F4-03000024 |
Прокладка сливного болта (90430-08020) F4-03000024
Используется в агрегатах
|
|
|
40 i |
|
 |
32 |
GB/T889.1-M5 |
Гайка (90185-05002) GB/T889.1-M5
Используется в агрегатах
|
|
|
203 i |
|
 |
33 |
T85-04000023 |
Накладка водозаборника (6H1-45215-00) T85-04000023
Используется в агрегатах
|
|
|
160 i |
|
 |
34 |
F25-04000031 |
Болт сливной с магнитом (688-45341-10) F25-04000031
Используется в агрегатах
|
|
|
650 i |
|
 |
35 |
T85-04000001 |
Корпус редуктора (688-45311-06-8D) T85-04000001
Используется в агрегатах
|
|
|
26630 i |
|
 |
36 |
T85-04000006 |
Гайка (90170-16M01) T85-04000006
Используется в агрегатах
|
|
|
790 i |
|
 |
37 |
T85-04000005 |
Шестерня приводного вала ( смотрите комплект ниже T85-04000070 ) > ART YAMAHA >>> 688-45551-01
Используется в агрегатах
|
|
|
2970 i |
|
 |
38 |
T85-04000022 |
Накладка водозаборника (6H1-45214-00) T85-04000022
Используется в агрегатах
|
|
|
160 i |
|
 |
39 |
GB/T820-M5X45 |
Винт (90151-05M00) GB/T820-M5x45
Используется в агрегатах
|
|
|
54 i |
|
 |
40 |
T85-04000007 |
Кулачек вала переключения хода (663-44151-00) T85-04000007
Используется в агрегатах
|
|
|
1395 i |
|
 |
41 |
T85-04000004-1 |
Шайба регулировочная 0,1мм (688-45567-01) T85-04000004-1
Используется в агрегатах
|
|
|
1350 i |
|
 |
41 |
T85-04000004-2 |
Шайба регулировочная 0,12мм (688-45567-10) T85-04000004-2
Используется в агрегатах
|
|
|
320 i |
|
 |
41 |
T85-04000004-3 |
Шайба регулировочная 0,2мм (688-45560-20) T85-04000004-3
Используется в агрегатах
|
|
|
Нет в наличии |
|
 |
41 |
T85-04000004-4 |
Шайба регулировочная 0,3мм (688-45567-30) T85-04000004-4
Используется в агрегатах
|
|
|
1350 i |
|
 |
41 |
T85-04000004-5 |
Шайба регулировочная 0,4мм (688-45567-40) T85-04000004-5
Используется в агрегатах
|
|
|
1350 i |
|
 |
41 |
T85-04000004-6 |
Шайба регулировочная 0,5мм (688-45567-50) T85-04000004-6
Используется в агрегатах
|
|
|
1350 i |
|
 |
41 |
T85-04000004-7 |
Шайба регулировочная 0,5мм (688-45567-60) T85-04000004-7
Используется в агрегатах
|
|
|
1350 i |
|
 |
42 |
KOYO-26882-N |
Подшипник KOYO-26882-N
Используется в агрегатах
|
|
|
11670 i |
|
 |
43 |
T85-04000100 |
Шестерня переднего хода ( смотрите комплект ниже T85-04000070 ) > ART YAMAHA >>> 688-45560-00
Используется в агрегатах
|
|
|
7400 i |
|
 |
44 |
T85-04000507 |
PLUNGER, SHIFT ROD > ART YAMAHA >>> 688-45635-00
Используется в агрегатах
|
|
|
310 i |
|
 |
45 |
T85-04000506 |
Проставка (688-45634-00) T85-04000506
Используется в агрегатах
|
|
|
280 i |
|
 |
46 |
T85-04000502 |
SPRING, CLUTCH > ART YAMAHA >>> 90501-16M65
Используется в агрегатах
|
|
|
104 i |
|
 |
47 |
T85-04000503 |
CLUTCH, DOG > ART YAMAHA >>> 688-45631-01
Используется в агрегатах
|
|
|
5500 i |
|
 |
48 |
T85-04000504 |
Штифт (90250-07M02) T85-04000504
Используется в агрегатах
|
|
|
294 i |
|
 |
49 |
T85-04000505 |
Кольцо уплотнительное (688-45633-00) T85-04000505
Используется в агрегатах
|
|
|
55 i |
|
 |
50 |
T85-04000501 |
Вал гребного винта (688-45611-00) T85-04000501
Используется в агрегатах
|
|
|
14430 i |
|
 |
51 |
T85-04000500 |
Вал гребного винта комплект (6H1-45611-01) T85-04000500
Используется в агрегатах
|
|
|
18490 i |
|
 |
52 |
T85-04000605 |
Шестерня заднего хода ( смотрите комплект ниже T85-04000070 ) > ART YAMAHA >>> 688-45571-01
Используется в агрегатах
|
|
|
6830 i |
|
 |
53 |
T85-04000606-1 |
Шайба регулировочная 0,1мм (688-45577-01) T85-04000606-1
Используется в агрегатах
|
|
|
Нет в наличии |
|
 |
53 |
T85-04000606-2 |
Шайба регулировочная 0,12мм (688-45577-10) T85-04000606-2
Используется в агрегатах
|
|
|
294 i |
|
 |
53 |
T85-04000606-4 |
Шайба регулировочная 0,18мм (688-45577-30) T85-04000606-4
Используется в агрегатах
|
|
|
1350 i |
|
 |
53 |
T85-04000606-5 |
Шайба регулировочная 0,3мм (688-45577-40) T85-04000606-5
Используется в агрегатах
|
|
|
1350 i |
|
 |
53 |
T85-04000606-6 |
Шайба регулировочная 0,4мм (688-45577-50) T85-04000606-6
Используется в агрегатах
|
|
|
1350 i |
|
 |
53 |
T85-04000606-7 |
Шайба регулировочная 0,5мм (688-45577-60) T85-04000606-7
Используется в агрегатах
|
|
|
1350 i |
|
 |
54 |
T85-04000604 |
Кольцо (688-45576-00) T85-04000604
Используется в агрегатах
|
|
|
1575 i |
|
 |
55 |
NTN-6207-15-C-3 |
Подшипник NTN-6207-15-C-3
Используется в агрегатах
|
|
|
2220 i |
|
 |
56 |
T85-04000600 |
COVER ASSY, LOWER CASING > ART YAMAHA >>>
Используется в агрегатах
|
|
|
5620 i |
|
 |
57 |
T85-04000603 |
Кольцо уплотнительное (93210-85M97) T85-04000603
Используется в агрегатах
|
|
|
495 i |
|
 |
58 |
T85-04000601 |
Корпус подшипников гребного вала (688-45331-00-CA) T85-04000601
Используется в агрегатах
|
|
|
3050 i |
|
 |
59 |
HK-2526NS |
Подшипник HK-2526NS
Используется в агрегатах
|
|
|
4460 i |
|
 |
60 |
T85-04000027 |
Втулка (90282-04010) T85-04000027
Используется в агрегатах
|
|
|
111 i |
|
 |
61 |
T85-04000020 |
Шайба (688-45383-02) T85-04000020
Используется в агрегатах
|
|
|
720 i |
|
 |
62 |
T85-04000021 |
Гайка (688-45384-02) T85-04000021
Используется в агрегатах
|
|
|
1710 i |
|
 |
63 |
T85-04000000L |
LOWER CASING ASSY L > ART YAMAHA >>> 692-45300-16-8D
Используется в агрегатах
|
|
|
107190 i |
|
 |
63 |
T85-04000000X |
LOWER CASING ASSY X > ART YAMAHA >>>
Используется в агрегатах
|
|
|
108160 i |
|
 |
|
T85-04000070 |
НАБОР ШЕСТЕРЕН РЕДУКТОРА
Используется в агрегатах
|
|
|
12950 i |
|