 |
1 |
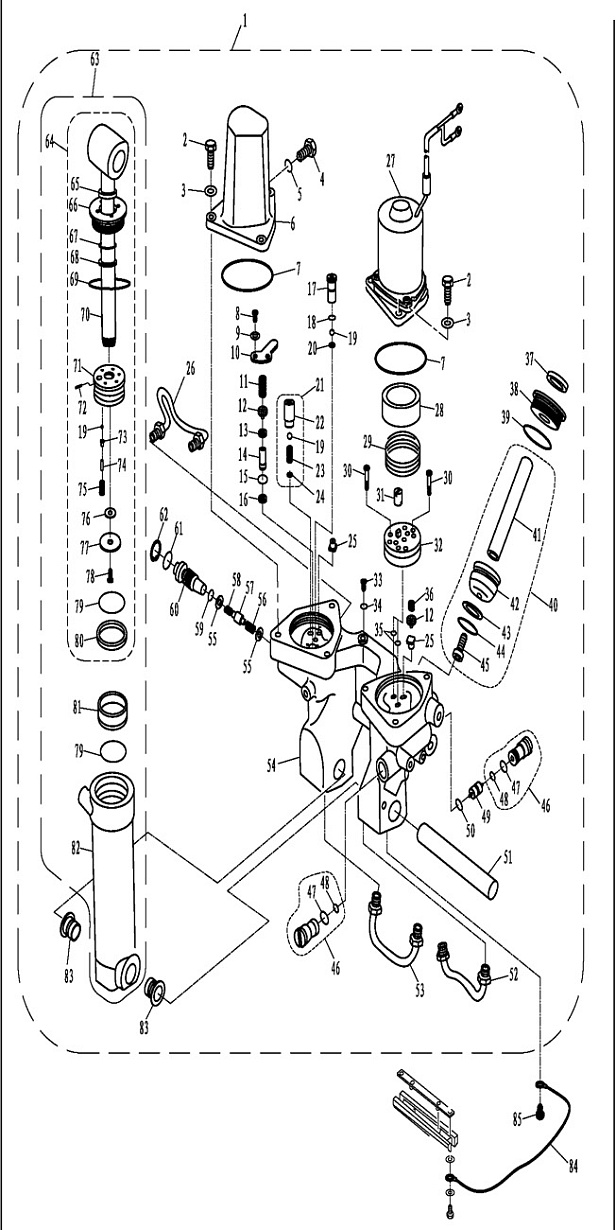
T85-06000000 |
Цилиндр гидроподъема в сборе (6H1-43800-17-8D) T85-06000000
Используется в агрегатах
|
|
|
105441 i |
|
 |
2 |
GB/T9074.14-M6X20 |
Болт (97095-06020-00) GB/T9074.14-M6x20
Используется в агрегатах
|
|
|
92 i |
|
 |
3 |
GB/T93-6 |
Шайба контровочная (92995-06100) GB/T93-6
Используется в агрегатах
|
|
|
30 i |
|
 |
4 |
T85-06010009 |
Винт (6H1-43829-00) T85-06010009
Используется в агрегатах
|
|
|
840 i |
|
 |
5 |
GB/T3452.1-9X2.2 |
Кольцо уплотнительное GB/T3452.1-9x2.2
Используется в агрегатах
|
|
|
Нет в наличии |
|
 |
6 |
T85-06000007 |
Корпус (6H1-43828-10) T85-06000007
Используется в агрегатах
|
|
|
Нет в наличии |
|
 |
7 |
T85-06000006 |
Кольцо уплотнительное (93210-68N50) T85-06000006
Используется в агрегатах
|
|
|
510 i |
|
 |
8 |
GB/T818-M5X10 |
Винт (97980-05310) GB/T818-M5x10
Используется в агрегатах
|
|
|
39 i |
|
 |
9 |
GB/T97.1-5 |
Шайба (6Y1-24329-00) GB/T97.1-5
Используется в агрегатах
|
|
|
30 i |
|
 |
10 |
T85-06010007 |
Заглушка (6H1-4384E-20) T85-06010007
Используется в агрегатах
|
|
|
Нет в наличии |
|
 |
11 |
T85-06010206 |
Пружина (6H1-43855-11) T85-06010206
Используется в агрегатах
|
|
|
Нет в наличии |
|
 |
12 |
T85-06010205 |
Штифт (6H1-43844-10) T85-06010205
Используется в агрегатах
|
|
|
Нет в наличии |
|
 |
13 |
T85-06010204 |
Сальник (6H1-4384G-11) T85-06010204
Используется в агрегатах
|
|
|
Нет в наличии |
|
 |
14 |
T85-06010203 |
Клапан гидроцилиндра (6H1-43895-12) T85-06010203
Используется в агрегатах
|
|
|
Нет в наличии |
|
 |
15 |
JISFG-11.2 |
Кольцо уплотнительное JISFG-11.2
Используется в агрегатах
|
|
|
Нет в наличии |
|
 |
16 |
T85-06010201 |
Фильтр (6H1-43816-00) T85-06010201
Используется в агрегатах
|
|
|
Нет в наличии |
|
 |
17 |
T85-06010301 |
Винт (6H1-43843-11) T85-06010301
Используется в агрегатах
|
|
|
Нет в наличии |
|
 |
18 |
JISFG-6 |
Кольцо уплотнительное JISFG-6
Используется в агрегатах
|
|
|
Нет в наличии |
|
 |
19 |
T85-06020202 |
Шаровое соединение T85-06020202
Используется в агрегатах
|
|
|
Нет в наличии |
|
 |
20 |
T85-06010303 |
Штифт поршня цилиндра гидроподъема (6H1-4387J-00) T85-06010303
Используется в агрегатах
|
|
|
Нет в наличии |
|
 |
21 |
T85-06010400 |
Обратный клапан T85-06010400
Используется в агрегатах
|
|
|
Нет в наличии |
|
 |
22 |
T85-06010401 |
Обратный клапан T85-06010401
Используется в агрегатах
|
|
|
Нет в наличии |
|
 |
23 |
T85-06010402 |
Пружина T85-06010402
Используется в агрегатах
|
|
|
Нет в наличии |
|
 |
24 |
T85-06010403 |
Шайба T85-06010403
Используется в агрегатах
|
|
|
185 i |
|
 |
25 |
T85-06010207 |
Сальник T85-06010207
Используется в агрегатах
|
|
|
Нет в наличии |
|
 |
26 |
T85-06000300 |
Патрубок (6H1-43835-10) T85-06000300
Используется в агрегатах
|
|
|
1750 i |
|
 |
27 |
T85-06030000 |
Мотор гидроподъема (6H1-43880-02) T85-06030000
Используется в агрегатах
|
|
|
25980 i |
|
 |
28 |
T85-06000004 |
Фильтр (6H1-43817-01) T85-06000004
Используется в агрегатах
|
|
|
111 i |
|
 |
29 |
T85-06000005 |
Пружина (6H1-4385H-00) T85-06000005
Используется в агрегатах
|
|
|
Нет в наличии |
|
 |
30 |
GB/T70.1-M4X25 |
Болт (91318-04025) GB/T70.1-M4x25
Используется в агрегатах
|
|
|
Нет в наличии |
|
 |
31 |
T85-06000003 |
Соединение (6H1-43831-10) T85-06000003
Используется в агрегатах
|
|
|
160 i |
|
 |
32 |
T85-06010700 |
Поршень насоса гидроцилиндра (6H1-43830-11) T85-06010700
Используется в агрегатах
|
|
|
7400 i |
|
 |
33 |
T85-06010011 |
Болт (6H1-4388E-11) T85-06010011
Используется в агрегатах
|
|
|
480 i |
|
 |
34 |
JASO-F404-19-007 |
Кольцо уплотнительное JASO-F404-19-007
Используется в агрегатах
|
|
|
46 i |
|
 |
35 |
JISFG-6 |
Кольцо уплотнительное JISFG-6
Используется в агрегатах
|
|
|
Нет в наличии |
|
 |
36 |
T85-06010003 |
Пружина (6H1-43856-10) T85-06010003
Используется в агрегатах
|
|
|
Нет в наличии |
|
 |
37 |
T85-06010106 |
Сальник (6H1-43822-10) T85-06010106
Используется в агрегатах
|
|
|
250 i |
|
 |
38 |
T85-06010105 |
Гайка (6H1-43821-11) T85-06010105
Используется в агрегатах
|
|
|
1850 i |
|
 |
39 |
GB/T3452.1-16.2X1.9 |
Кольцо уплотнительное GB/T3452.1-16.2x1.9
Используется в агрегатах
|
|
|
50 i |
|
 |
39 |
JASO-F404-35-039 |
Кольцо уплотнительное JASO-F404-35-039
Используется в агрегатах
|
|
|
165 i |
|
 |
40 |
T85-06010100 |
Поршень гидроподъема в сборе (6H1-43820-11) T85-06010100
Используется в агрегатах
|
|
|
2710 i |
|
 |
41 |
T85-06010102 |
Ось цилиндра гидроподъема T85-06010102
Используется в агрегатах
|
|
|
Нет в наличии |
|
 |
42 |
T85-06010101 |
Поршень гидроподъема (6H1-43820-11) T85-06010101
Используется в агрегатах
|
|
|
Нет в наличии |
|
 |
43 |
JISB-2407-P32T2 |
Стопорные кольца JISB-2407-P32T2
Используется в агрегатах
|
|
|
429 i |
|
 |
44 |
JISB-2401-P32 |
Кольцо уплотнительное JISB-2401-P32
Используется в агрегатах
|
|
|
Нет в наличии |
|
 |
45 |
GB/T70.1-M8X16 |
Болт (91318-08016) GB/T70.1-M8x16
Используется в агрегатах
|
|
|
Нет в наличии |
|
 |
46 |
T85-06010503 |
Корпус блока лепестковых клапанов (67F-43802-00) T85-06010503
Используется в агрегатах
|
|
|
1570 i |
|
 |
47 |
GB/T3452.1-12.8X2.5 |
Кольцо уплотнительное GB/T3452.1-12.8x2.5
Используется в агрегатах
|
|
|
Нет в наличии |
|
 |
48 |
JISFG-12 |
Кольцо уплотнительное O-RING 11.5X1.5 JISFG-12
Используется в агрегатах
|
|
|
Нет в наличии |
|
 |
49 |
T85-06010501 |
Поршень цилиндра гидроподъема (6H1-43841-11) T85-06010501
Используется в агрегатах
|
|
|
660 i |
|
 |
50 |
JASO-F404-19-009 |
Кольцо уплотнительное JASO-F404-19-009
Используется в агрегатах
|
|
|
38 i |
|
 |
51 |
T85-06000002 |
Ось цилиндра гидроподъема T85-06000002
Используется в агрегатах
|
|
|
1750 i |
|
 |
52 |
T85-06000200 |
Патрубок (6H1-43833-10) T85-06000200
Используется в агрегатах
|
|
|
Нет в наличии |
|
 |
53 |
T85-06000100 |
Патрубок (6H1-43834-00) T85-06000100
Используется в агрегатах
|
|
|
Нет в наличии |
|
 |
54 |
T85-06010001 |
Цилиндр гидроподъема T85-06010001
Используется в агрегатах
|
|
|
Нет в наличии |
|
 |
55 |
T85-06010601 |
Шайба (6H1-43847-00) T85-06010601
Используется в агрегатах
|
|
|
370 i |
|
 |
56 |
T85-06010602 |
Пружина (6H1-43899-00) T85-06010602
Используется в агрегатах
|
|
|
Нет в наличии |
|
 |
57 |
T85-06010603 |
Тарелка пружины (6H1-4382A-10) T85-06010603
Используется в агрегатах
|
|
|
Нет в наличии |
|
 |
58 |
T85-06010604 |
Пружина (6H1-43854-00) T85-06010604
Используется в агрегатах
|
|
|
Нет в наличии |
|
 |
59 |
JISFG-10 |
Кольцо уплотнительное JISFG-10
Используется в агрегатах
|
|
|
46 i |
|
 |
60 |
T85-06010606 |
Винт (6H1-43845-00) T85-06010606
Используется в агрегатах
|
|
|
1850 i |
|
 |
61 |
JASO-F404-24-018 |
Кольцо уплотнительное JASO-F404-24-018
Используется в агрегатах
|
|
|
46 i |
|
 |
62 |
GB/T893.1-20 |
Кольцо уплотнительное (6H1-43875-00) GB/T893.1-20
Используется в агрегатах
|
|
|
46 i |
|
 |
63 |
T85-06020000 |
Цилиндр гидроподъема в сборе (6H1-43840-11) T85-06020000
Используется в агрегатах
|
|
|
20100 i |
|
 |
64 |
T85-06021000 |
Цилиндр гидроподъема T85-06021000
Используется в агрегатах
|
|
|
15710 i |
|
 |
65 |
T85-06020003 |
Сальник (6H1-43812-00) T85-06020003
Используется в агрегатах
|
|
|
250 i |
|
 |
66 |
T85-06020002 |
Гайка (6H1-43872-10) T85-06020002
Используется в агрегатах
|
|
|
2400 i |
|
 |
67 |
JISB-2407-P18T2 |
Стопорное кольцо JISB-2407-P18T2
Используется в агрегатах
|
|
|
356 i |
|
 |
68 |
JISB-2401-P18 |
Кольцо уплотнительное JISB-2401-P18
Используется в агрегатах
|
|
|
92 i |
|
 |
69 |
JISFG-45 |
Кольцо уплотнительное JISFG-45
Используется в агрегатах
|
|
|
120 i |
|
 |
70 |
T85-06020100 |
Шток цилиндра гидроподъема T85-06020100
Используется в агрегатах
|
|
|
Нет в наличии |
|
 |
71 |
T85-06020201 |
Поршень цилиндра гидроподъема T85-06020201
Используется в агрегатах
|
|
|
Нет в наличии |
|
 |
72 |
GB/T879.1-1.5X12 |
Штифт GB/T879.1-1.5x12
Используется в агрегатах
|
|
|
Нет в наличии |
|
 |
73 |
T85-06020005 |
Тарелка пружины T85-06020005
Используется в агрегатах
|
|
|
Нет в наличии |
|
 |
74 |
T85-06020006 |
Подшипник роликовый T85-06020006
Используется в агрегатах
|
|
|
Нет в наличии |
|
 |
75 |
T85-06020014 |
Пружина T85-06020014
Используется в агрегатах
|
|
|
Нет в наличии |
|
 |
76 |
T85-06020007 |
Шайба T85-06020007
Используется в агрегатах
|
|
|
Нет в наличии |
|
 |
77 |
T85-06020008 |
Шайба T85-06020008
Используется в агрегатах
|
|
|
Нет в наличии |
|
 |
78 |
GB/T2672-M6X10 |
Винт GB/T2672-M6x10
Используется в агрегатах
|
|
|
Нет в наличии |
|
 |
79 |
JASO-F404-35-039 |
Кольцо уплотнительное JASO-F404-35-039
Используется в агрегатах
|
|
|
165 i |
|
 |
80 |
JISB-2407-P39T2 |
Кольцо уплотнительное JISB-2407-P39T2
Используется в агрегатах
|
|
|
147 i |
|
 |
81 |
T85-06020011 |
Поршень цилиндра гидроподъема (6H1-43814-1) T85-06020011
Используется в агрегатах
|
|
|
Нет в наличии |
|
 |
82 |
T85-06020001 |
Цилиндр гидроподъема (6H1-43813-10) T85-06020001
Используется в агрегатах
|
|
|
Нет в наличии |
|
 |
83 |
T85-06000001 |
Втулка T85-06000001
Используется в агрегатах
|
|
|
Нет в наличии |
|
 |
84 |
T85-01010209 |
Провод (6H1-82148-00) T85-01010209
Используется в агрегатах
|
|
|
435 i |
|
 |
85 |
GB/T5783-M6X10 |
Болт GB/T5783-M6x10
Используется в агрегатах
|
|
|
47 i |
|