Лодочные моторы PARSUN
2х тактные моторы от 2 л.с. до 90 л.с.
4х тактные моторы от 2.6 л.с. до 130 л.с.
Аксессуары PARSUN
Винты гребные, Масла смазки, Кофры, Баки и канистры
Принадлежности для ТО, Насосы для лодок
Назад

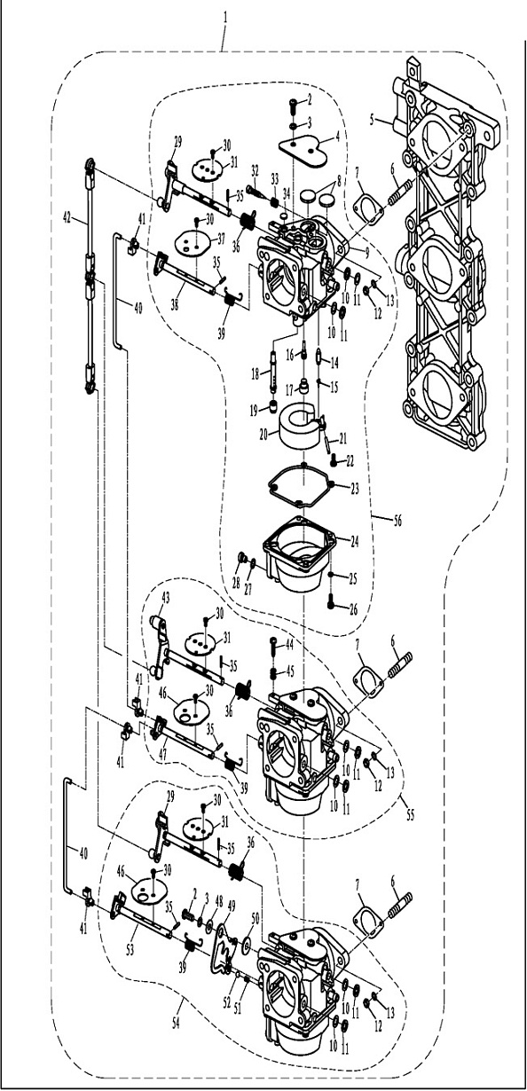
14 | СИСТЕМА ВПУСКА - КАРБЮРАТОР В СБОРЕ | T75 T85 T90 FEL-T FEX-T Лодочный мотор PARSUN | Запчасти

Ссылка Артикул Наименование детали Используется штук Количество Цена
1 T85-05160200

Карбюратор в сборе (688-14301-00) T85-05160200
Используется в агрегатах

31830 i
2 GB/T818-M5X10

Винт (97980-05310) GB/T818-M5x10
Используется в агрегатах

39 i
3 GB/T93-5

Пружина GB/T93-5
Используется в агрегатах

30 i
4 T85-05160204

Крепежная пластина (688-14572-01) T85-05160204
Используется в агрегатах

Нет в наличии

5 T85-05060001

Впускной коллектор (688-13641-01-94) T85-05060001
Используется в агрегатах

Нет в наличии

6 T85-05060029

Винт T85-05060029
Используется в агрегатах

Нет в наличии

7 T85-05060004

Прокладка (688-14198-A2) T85-05060004
Используется в агрегатах

180 i
8 T85-05160202

Шайба (688-14126-00) T85-05160202
Используется в агрегатах

185 i
9 T85-05160201

Карбюратор корпус T85-05160201
Используется в агрегатах

Нет в наличии

10 T85-05160212

Шайба T85-05160212
Используется в агрегатах

Нет в наличии

11 T85-05160213

Шайба T85-05160213
Используется в агрегатах

Нет в наличии

12 GB/T6170-M6

Гайка (95303-06600) GB/T6170-M6
Используется в агрегатах

45 i
13 GB/T93-6

Шайба контровочная (92995-06100) GB/T93-6
Используется в агрегатах

30 i
14 T85-05160219

Игольчатый клапан (692-14590-01) T85-05160219
Используется в агрегатах

420 i
15 T85-05160220

Пружина T85-05160220
Используется в агрегатах

69 i
16 T85-05160224

Воздушный жиклер (676-14948-18) T85-05160224
Используется в агрегатах

690 i
17 T85-05160225

Заглушка резиновая (676-14966-00) T85-05160225
Используется в агрегатах

320 i
18 T85-05160223

Трубка (688-14947-00) T85-05160223
Используется в агрегатах

920 i
19 T85-05160222

Топливный жиклер (676-14943-40) T85-05160222
Используется в агрегатах

690 i
20 T85-05160218

Поплавок (676-14985-01) T85-05160218
Используется в агрегатах

370 i
21 T85-05160221

Штифт (688-14548-00) T85-05160221
Используется в агрегатах

185 i
22 GB/T818-M4X8

Болт (68580-04008) GB/T818-M4x8
Используется в агрегатах

Нет в наличии

23 T85-05160217

Уплотнение T85-05160217
Используется в агрегатах

370 i
24 T85-05160226

Отстойник T85-05160226
Используется в агрегатах

Нет в наличии

25 GB/T93-4

Шайба контровочная GB/T93-4
Используется в агрегатах

11 i
26 GB/T818-M4X14

Винт (97980-04114) GB/T818-M4x14
Используется в агрегатах

39 i
27 T85-05160228

Прокладка (93210-04230) T85-05160228
Используется в агрегатах

46 i
28 T85-05160227

Винт (6H3-14992-00) T85-05160227
Используется в агрегатах

277 i
29 T85-05160207

Ось дроссельной заслонки T85-05160207
Используется в агрегатах

Нет в наличии

30 GB/T818-M3X6

Винт GB/T818-M3x6
Используется в агрегатах

Нет в наличии

31 T85-05160211

Дроссельная заслонка T85-05160211
Используется в агрегатах

Нет в наличии

32 T85-05160205

Винт T85-05160205
Используется в агрегатах

630 i
33 T85-05160206

Пружина T85-05160206
Используется в агрегатах

48 i
34 T85-05160203

Шайба (663-14527-00) T85-05160203
Используется в агрегатах

Нет в наличии

35 GB/T879.2-2X10

Штифт GB/T879.2-2x10
Используется в агрегатах

39 i
36 T85-05160210

Пружина T85-05160210
Используется в агрегатах

Нет в наличии

37 T85-05160216

Воздушная заслонка T85-05160216
Используется в агрегатах

Нет в наличии

38 T85-05160214

Рычаг воздушной заслонки T85-05160214
Используется в агрегатах

Нет в наличии

39 T85-05160215

Пружина T85-05160215
Используется в агрегатах

Нет в наличии

40 T85-05160234

Тяга соединительная (688-41257-01) T85-05160234
Используется в агрегатах

147 i
41 F15-07000016

Соединитель (661-41262-02) F15-07000016
Используется в агрегатах

75 i
42 T85-05160231

Тяга соединительная (688-41217-01) T85-05160231
Используется в агрегатах

810 i
43 T85-05160230

Ось дроссельной заслонки T85-05160230
Используется в агрегатах

Нет в наличии

44 T85-05160232

Болт T85-05160232
Используется в агрегатах

Нет в наличии

45 T85-05160233

Пружина T85-05160233
Используется в агрегатах

Нет в наличии

46 T85-05160242

Воздушная заслонка T85-05160242
Используется в агрегатах

Нет в наличии

47 T85-05160235

Рычаг воздушной заслонки T85-05160235
Используется в агрегатах

Нет в наличии

48 GB/T96-5

Шайба GB/T96-5
Используется в агрегатах

30 i
49 T85-05160238

Кулачек управления воздушной заслонкой T85-05160238
Используется в агрегатах

Нет в наличии

50 T85-05160241

Шайба T85-05160241
Используется в агрегатах

Нет в наличии

51 T85-05160240

Пружина T85-05160240
Используется в агрегатах

Нет в наличии

52 T85-05160239

Шаровой наконечник T85-05160239
Используется в агрегатах

Нет в наличии

53 T85-05160237

Рычаг воздушной заслонки T85-05160237
Используется в агрегатах

Нет в наличии

54 T85-05160245

Карбюратор (C) T85-05160245
Используется в агрегатах

Нет в наличии

55 T85-05160244

Карбюратор (B) T85-05160244
Используется в агрегатах

Нет в наличии

56 T85-05160243

Карбюратор (A) T85-05160243
Используется в агрегатах

Нет в наличии