Лодочные моторы PARSUN
2х тактные моторы от 2 л.с. до 90 л.с.
4х тактные моторы от 2.6 л.с. до 130 л.с.
Аксессуары PARSUN
Винты гребные, Масла смазки, Кофры, Баки и канистры
Принадлежности для ТО, Насосы для лодок
Назад

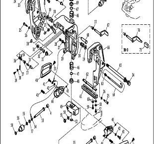
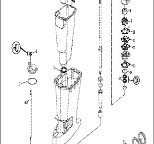
20 | СОЕДИНИТЕЛЬНЫЙ СТЕРЖЕНЬ В СБОРЕ | T75 T85 T90 FEL-T FEX-T Лодочный мотор PARSUN | Запчасти

Ссылка Артикул Наименование детали Используется штук Количество Цена
1 T85-08000100W

Трос управления 20" (701-48320-50) T85-08000100W
Используется в агрегатах

4493 i
2 F25-01010012W

Гайка (6G5-43145-01) F25-01010012W
Используется в агрегатах

103 i
3 JASO-F404-24-016

Кольцо уплотнительное JASO-F404-24-016
Используется в агрегатах

38 i
4 F25-07000006W

Гайка (90185-09M01) F25-07000006W
Используется в агрегатах

205 i
5 GB/T97.1-10

Шайба (90201-10120) GB/T97.1-10
Используется в агрегатах

35 i
6 F25-07000304W

Гайка (90170-09M03) F25-07000304W
Используется в агрегатах

420 i
7 F25-07000303W

Проставка (90387-10M42) F25-07000303W
Используется в агрегатах

63 i
8 T85-08000201W

Тяга рулевая T85-08000201W
Используется в агрегатах

Нет в наличии

9 F15-11020002W

Болт F15-11020002W
Используется в агрегатах

600 i
10 T85-08000200W

Тяга рулевая комплект T85-08000200W
Используется в агрегатах

3190 i