Лодочные моторы PARSUN
2х тактные моторы от 2 л.с. до 90 л.с.
4х тактные моторы от 2.6 л.с. до 130 л.с.
Аксессуары PARSUN
Винты гребные, Масла смазки, Кофры, Баки и канистры
Принадлежности для ТО, Насосы для лодок
Назад

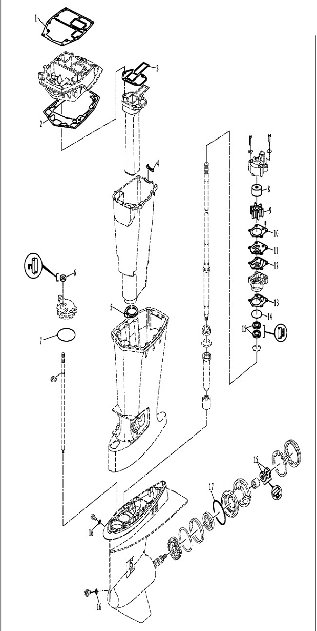
24 | ПРИЛОЖЕНИЕ 2 (РЕМОНТНЫЙ КОМПЛЕКТ) | T75 T85 T90 FEL-T FEX-T Лодочный мотор PARSUN | Запчасти

Ссылка Артикул Наименование детали Используется штук Количество Цена
1 T85-00000014

Прокладка (688-45113-A0) T85-00000014
Используется в агрегатах

1264 i
2 T85-02010008

Прокладка (688-45114-A1) T85-02010008
Используется в агрегатах

950 i
3 T85-02010003

Прокладка (688-41134-A0) T85-02010003
Используется в агрегатах

650 i
4 T85-02010007

Прокладка (688-41133-00) T85-02010007
Используется в агрегатах

46 i
5 T85-02000003

Прокладка (688-45123-00) T85-02000003
Используется в агрегатах

180 i
6 T85-04000011

Сальник (93106-09014) T85-04000011
Используется в агрегатах

210 i
7 JASO-F404-31-050

Кольцо уплотнительное JASO-F404-31-050
Используется в агрегатах

285 i
8 T85-04000402

Стакан крыльчатки (688-44322-41) T85-04000402
Используется в агрегатах

1350 i
9 T85-04000300

Крыльчатка (688-44352-02) T85-04000300
Используется в агрегатах

1330 i
10 T85-04000017

Прокладка (688-44315-A0) T85-04000017
Используется в агрегатах

200 i
11 T85-04000016

Пластина крыльчатки (688-44323-40) T85-04000016
Используется в агрегатах

1030 i
12 T85-04000015

Прокладка (688-44324-A0) T85-04000015
Используется в агрегатах

250 i
13 T85-04000014

Прокладка (688-44316-A0) T85-04000014
Используется в агрегатах

250 i
14 T85-04000204

Кольцо уплотнительное (93210-46044) T85-04000204
Используется в агрегатах

375 i
15 T85-04000202

Сальник (93101-25M03) T85-04000202
Используется в агрегатах

350 i
16 F4-03000024

Прокладка сливного болта (90430-08020) F4-03000024
Используется в агрегатах

40 i
17 T85-04000603

Кольцо уплотнительное (93210-85M97) T85-04000603
Используется в агрегатах

495 i