 |
1 |
F15-01010305-3 |
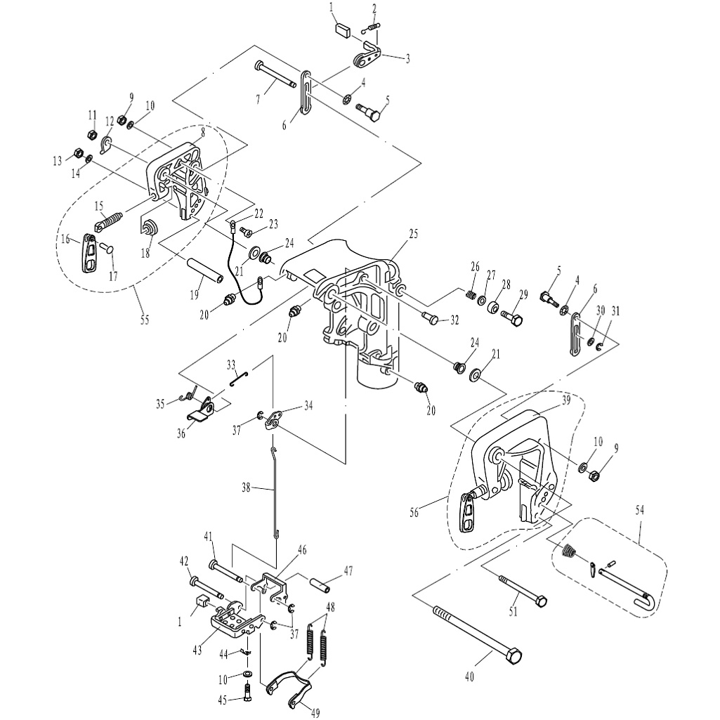
Муфта проходная (682-43318-01) F15-01010305-3
Используется в агрегатах
|
2 |
|
74 i |
|
 |
2 |
TE15-01010317 |
Пружина (90506-12002) TE15-01010317
Используется в агрегатах
|
1 |
|
110 i |
|
 |
3 |
TE15-01010315 |
Фиксатор откидки (6B4-43181-00) TE15-01010315
Используется в агрегатах
|
1 |
|
920 i |
|
 |
4 |
F15-01010104 |
Шайба контровочная (90206-10M24) F15-01010104
Используется в агрегатах
|
2 |
|
92 i |
|
 |
5 |
TE15-01010004 |
Винт (90109-06M05) TE15-01010004
Используется в агрегатах
|
2 |
|
910 i |
|
 |
6 |
TE15-01010314 |
Пластина упора откидки (6B4-43627-00) TE15-01010314
Используется в агрегатах
|
2 |
|
345 i |
|
 |
7 |
TE15-01010316 |
Ось замка капота (90249-10003) TE15-01010316
Используется в агрегатах
|
1 |
|
390 i |
|
 |
8 |
TE15-01010201 |
Поворотный кронштейн правый (682-43112-05-4D) TE15-01010201
Используется в агрегатах
|
1 |
|
3720 i |
|
 |
9 |
GB/T6184-M6 |
Гайка (95680-06100) GB/T6184-M6
Используется в агрегатах
|
2 |
|
117 i |
|
 |
10 |
GB/T97.1-6 |
Шайба (92995-06600) GB/T97.1-6
Используется в агрегатах
|
3 |
|
31 i |
|
 |
11 |
GB/T889.2-M12X1.25 |
Гайка GB/T889.2-M12x1.25
Используется в агрегатах
|
1 |
|
420 i |
|
 |
12 |
TE15-01010007 |
Тарелка (6B4-43113-00) TE15-01010007
Используется в агрегатах
|
1 |
|
280 i |
|
 |
13 |
GB/T6170-M6 |
Гайка (95303-06600) GB/T6170-M6
Используется в агрегатах
|
1 |
|
45 i |
|
 |
14 |
GB/T848-6 |
Шайба (92990-06600) GB/T848-6
Используется в агрегатах
|
1 |
|
30 i |
|
 |
15 |
F25-01010104 |
Винт (90149-14M12) F25-01010104
Используется в агрегатах
|
2 |
|
1660 i |
|
 |
16 |
F25-01010102 |
Ручка (663-43118-01-4D) F25-01010102
Используется в агрегатах
|
2 |
|
690 i |
|
 |
17 |
F4-01010005 |
Штифт (90243-04M01) F4-01010005
Используется в агрегатах
|
2 |
|
43 i |
|
 |
18 |
F4-01010003 |
Шайба прижимная (6F5-43114-00) F4-01010003
Используется в агрегатах
|
2 |
|
177 i |
|
 |
19 |
F15-01010006 |
Проставка (90387-06M13) F15-01010006
Используется в агрегатах
|
1 |
|
420 i |
|
 |
20 |
JB/T9740.1-M6 |
Масленка (93700-06M03) JB/T9740.1-M6
Используется в агрегатах
|
3 |
|
173 i |
|
 |
21 |
TE15-01010003 |
Шайба (90201-12018) TE15-01010003
Используется в агрегатах
|
2 |
|
260 i |
|
 |
22 |
T85-01010003 |
Провод (6E5-82148-00) T85-01010003
Используется в агрегатах
|
1 |
|
345 i |
|
 |
23 |
GB/T823-M6X8 |
Винт GB/T823-M6x8
Используется в агрегатах
|
1 |
|
39 i |
|
 |
24 |
TE15-01010001 |
Болт (90381-12001) TE15-01010001
Используется в агрегатах
|
2 |
|
239 i |
|
 |
25 |
TE15-01010301 |
Поворотный кронштейн (682-43311-07-4D) TE15-01010301
Используется в агрегатах
|
1 |
|
8920 i |
|
 |
26 |
T36-01010325 |
Пружина (90501-18M00) T36-01010325
Используется в агрегатах
|
1 |
|
91 i |
|
 |
27 |
GB/T97.1-8 |
Шайба (92995-08100) GB/T97.1-8
Используется в агрегатах
|
1 |
|
15 i |
|
 |
28 |
T36-01010326 |
Муфта проходная (676-43373-00) T36-01010326
Используется в агрегатах
|
1 |
|
46 i |
|
 |
29 |
GB/T5783-M8X25 |
Болт (97075-08025) GB/T5783-M8x25
Используется в агрегатах
|
1 |
|
102 i |
|
 |
30 |
TE15-01010318 |
Шайба (90202-10M56) TE15-01010318
Используется в агрегатах
|
1 |
|
92 i |
|
 |
31 |
GB/T896-9 |
Стопорное кольцо (99080-09600) GB/T896-9
Используется в агрегатах
|
1 |
|
96 i |
|
 |
32 |
TE15-01010304 |
Палец фиксатора откидки (90249-06M23) TE15-01010304
Используется в агрегатах
|
1 |
|
405 i |
|
 |
33 |
TE15-01010303 |
Тяга соединительная (682-43616-00) TE15-01010303
Используется в агрегатах
|
1 |
|
55 i |
|
 |
34 |
TE15-01010302 |
Кронштейн тяги (682-43641-01) TE15-01010302
Используется в агрегатах
|
1 |
|
210 i |
|
 |
35 |
TE15-01010006 |
Пружина (90508-14018) TE15-01010006
Используется в агрегатах
|
1 |
|
82 i |
|
 |
36 |
TE15-01010005 |
Ограничитель (6B4-43631-00) TE15-01010005
Используется в агрегатах
|
1 |
|
350 i |
|
 |
37 |
GB/T896-5 |
Стопорные кольца (99080-05600) GB/T896-5
Используется в агрегатах
|
3 |
|
31 i |
|
 |
38 |
TE15-01010305 |
Тяга фиксатора (682-43617-00) TE15-01010305
Используется в агрегатах
|
1 |
|
115 i |
|
 |
39 |
TE15-01010101 |
Поворотный кронштейн левый (682-43111-05-4D) TE15-01010101
Используется в агрегатах
|
1 |
|
3720 i |
|
 |
40 |
TE15-01010002 |
Болт (90101-12013) TE15-01010002
Используется в агрегатах
|
1 |
|
2260 i |
|
 |
41 |
TE15-01010309 |
Палец (682-43611-01) TE15-01010309
Используется в агрегатах
|
1 |
|
210 i |
|
 |
42 |
TE15-01010311 |
Ось поворотного кронштейна (682-43659-01) TE15-01010311
Используется в агрегатах
|
1 |
|
210 i |
|
 |
43 |
TE15-01010312 |
Фиксатор откидки (6B4-43681-00) TE15-01010312
Используется в агрегатах
|
1 |
|
1965 i |
|
 |
44 |
TE15-01010313 |
Пружина (682-43643-00) TE15-01010313
Используется в агрегатах
|
1 |
|
240 i |
|
 |
45 |
GB/T5783-M6X8 |
Болт GB/T5783-M6x8
Используется в агрегатах
|
1 |
|
47 i |
|
 |
46 |
TE15-01010307 |
Кронштейн ручки фиксатора (682-43615-02) TE15-01010307
Используется в агрегатах
|
1 |
|
950 i |
|
 |
47 |
TE15-01010310 |
Втулка (90387-06M20) TE15-01010310
Используется в агрегатах
|
1 |
|
180 i |
|
 |
48 |
TE15-01010306 |
Пружина (90506-26M01) TE15-01010306
Используется в агрегатах
|
2 |
|
390 i |
|
 |
49 |
TE15-01010308 |
Поворотный кронштейн (682-43614-01) TE15-01010308
Используется в агрегатах
|
1 |
|
850 i |
|
 |
51 |
GB/T5782-M6X145 |
Болт GB/T5782-M6x145
Используется в агрегатах
|
1 |
|
620 i |
|
 |
54 |
F15-01010400 |
Ось угла наклона (689-43160-00) F15-01010400
Используется в агрегатах
|
1 |
|
769 i |
|
 |
55 |
TE15-01010200 |
Кронштейн правый в сборе TE15-01010200
Используется в агрегатах
|
1 |
|
11505 i |
|
 |
56 |
TE15-01010100 |
Кронштейн левый в сборе TE15-01010100
Используется в агрегатах
|
1 |
|
11505 i |
|