 |
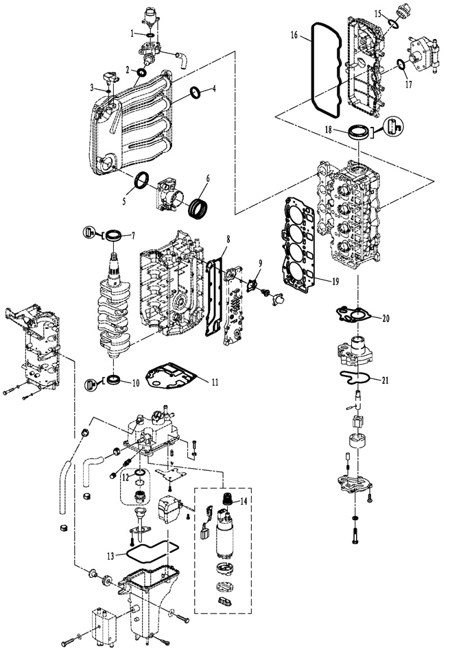
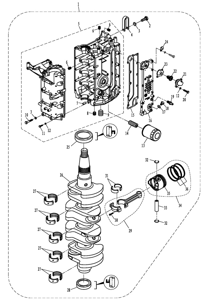
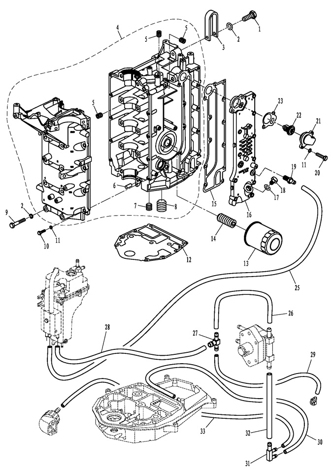
1 |
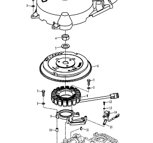
F60-05050000 |
ENGINE ASSY > ART YAMAHA | TOHATSU >>>
Используется в агрегатах
|
|
|
133430 i |
|
 |
2 |
GB/T5783-M8X45 |
Болт GB/T5783-M8x45
Используется в агрегатах
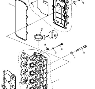
|
|
|
130 i |
|
 |
2 |
GB/T889.1-M8 |
Гайка GB/T889.1-M8
Используется в агрегатах
|
|
|
69 i |
|
 |
3 |
GB/T97.1-8 |
Шайба (92995-08100) GB/T97.1-8
Используется в агрегатах
|
|
|
15 i |
|
 |
4 |
F25-05010106 |
POTHOOK, ENGINE > ART YAMAHA | TOHATSU >>> 65W-11119-00
Используется в агрегатах
|
|
|
300 i |
|
 |
5 |
F60-05010000 |
CRANKCASE ASSY > ART YAMAHA | TOHATSU >>>
Используется в агрегатах
|
|
|
58460 i |
|
 |
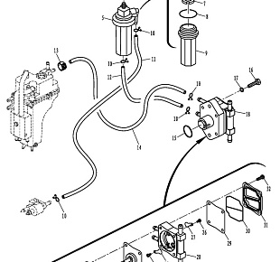
6 |
F15-07010004 |
JAM 1/8 > ART YAMAHA | TOHATSU >>>
Используется в агрегатах
|
|
|
261 i |
|
 |
7 |
F25-00000014 |
PIN 8X12 > ART YAMAHA | TOHATSU >>> 99530-08012
Используется в агрегатах
|
|
|
138 i |
|
 |
8 |
F25-05010104 |
JAM 1/2 > ART YAMAHA | TOHATSU >>>
Используется в агрегатах
|
|
|
435 i |
|
 |
9 |
F25-05010103 |
JAM 3/4 > ART YAMAHA | TOHATSU >>>
Используется в агрегатах
|
|
|
645 i |
|
 |
10 |
F25-05000035 |
Болт F25-05000035
Используется в агрегатах
|
|
|
370 i |
|
 |
11 |
F15-07000030 |
BOLT M6X35 > ART YAMAHA | TOHATSU >>>
Используется в агрегатах
|
|
|
130 i |
|
 |
12 |
GB/T97.1-6 |
Шайба (92995-06600) GB/T97.1-6
Используется в агрегатах
|
|
|
31 i |
|
 |
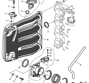
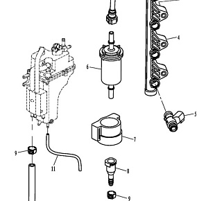
13 |
F25-05000100 |
OIL CLEANER > ART YAMAHA | TOHATSU >>>
Используется в агрегатах
|
|
|
1030 i |
|
 |
14 |
F15-07010003 |
BOLT UNION > ART YAMAHA | TOHATSU >>> 90401-20M00
Используется в агрегатах
|
|
|
830 i |
|
 |
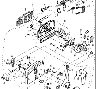
15 |
F60-05000004 |
GASKET, EXHAUST COVER > ART YAMAHA | TOHATSU >>>
Используется в агрегатах
|
|
|
680 i |
|
 |
16 |
F60-05000005 |
COVER, EXHAUST > ART YAMAHA | TOHATSU >>>
Используется в агрегатах
|
|
|
2460 i |
|
 |
17 |
F40-05000038 |
GASKET, JAM > ART YAMAHA | TOHATSU >>>
Используется в агрегатах
|
|
|
180 i |
|
 |
18 |
F40-05000037 |
JAM M18X1.5 > ART YAMAHA | TOHATSU >>>
Используется в агрегатах
|
|
|
945 i |
|
 |
19 |
F25-05010113 |
PIPE, JOINT > ART YAMAHA | TOHATSU >>> 62Y-11372-01
Используется в агрегатах
|
|
|
360 i |
|
 |
20 |
GB/T5783-M6X35 |
Болт GB/T5783-M6x35
Используется в агрегатах
|
|
|
122 i |
|
 |
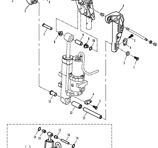
21 |
F15-07010021 |
COVER, THERMOSTAT > ART YAMAHA | TOHATSU >>> 6H3-12413-00-1S
Используется в агрегатах
|
|
|
345 i |
|
 |
22 |
F15-07000031 |
THERMOSTAT > ART YAMAHA | TOHATSU >>>
Используется в агрегатах
|
|
|
670 i |
|
 |
23 |
F15-07010022 |
COVER, THERMOSTAT > ART YAMAHA | TOHATSU >>> 6H3-12414-A1
Используется в агрегатах
|
|
|
170 i |
|
 |
24 |
F40-05000003 |
CLAMP > ART YAMAHA | TOHATSU >>>
Используется в агрегатах
|
|
|
840 i |
|
 |
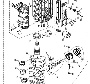
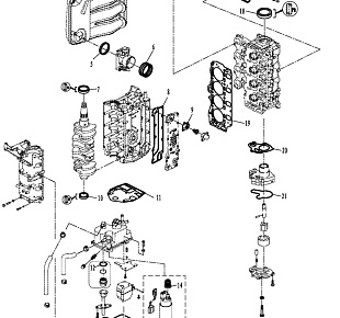
25 |
F25-05020003 |
OIL SEAL B 43X54.8X6R > ART YAMAHA | TOHATSU >>> 93102-43M42
Используется в агрегатах
|
|
|
480 i |
|
 |
26 |
F60-05000001 |
CRANKSHAFT ASSY > ART YAMAHA | TOHATSU >>> 6C5-11411-10
Используется в агрегатах
|
|
|
54570 i |
|
 |
27 |
F25-05010302-1 |
BEARING SHELL, CRANKSHAFT > ART YAMAHA | TOHATSU >>> 62Y-11416-00
Используется в агрегатах
|
|
|
350 i |
|
 |
27 |
F25-05010302-2 |
BEARING SHELL, CRANKSHAFT > ART YAMAHA | TOHATSU >>> 62Y-11416-10
Используется в агрегатах
|
|
|
350 i |
|
 |
28 |
F25-05020002 |
OIL SEAL A 35X46.85X61 > ART YAMAHA | TOHATSU >>> 93102-35M47
Используется в агрегатах
|
|
|
460 i |
|
 |
29 |
F25-05020200 |
CONNECTING ROD ASSY > ART YAMAHA | TOHATSU >>> 67C-11650-00
Используется в агрегатах
|
|
|
6405 i |
|
 |
30 |
F25-05020204 |
BOLT, CONNECTING ROD > ART YAMAHA | TOHATSU >>> 62Y-11654-00
Используется в агрегатах
|
|
|
320 i |
|
 |
31 |
F25-05020203-1 |
BEARING, CON-ROD, BLACK > ART YAMAHA | TOHATSU >>> 62Y-11656-00
Используется в агрегатах
|
|
|
400 i |
|
 |
31 |
F25-05020203-2 |
BEARING, CON-ROD, BROWN > ART YAMAHA | TOHATSU >>> 62Y-11656-10
Используется в агрегатах
|
|
|
400 i |
|
 |
32 |
F25-05020106 |
CIRCLIP > ART YAMAHA | TOHATSU >>> 93450-17129
Используется в агрегатах
|
|
|
96 i |
|
 |
33 |
F25-05020105 |
PIN, PISTON > ART YAMAHA | TOHATSU >>> 62Y-11633-00
Используется в агрегатах
|
|
|
290 i |
|
 |
34 |
F40-05020100 |
PISTON ASSY > ART YAMAHA | TOHATSU >>>
Используется в агрегатах
|
|
|
2100 i |
|
 |
35 |
F40-05020101 |
PISTON > ART YAMAHA | TOHATSU >>> 65W-11631-00
Используется в агрегатах
|
|
|
920 i |
|
 |
36 |
F25-05020102 |
PISTON RING ASSY > ART YAMAHA | TOHATSU >>> 67C-11603-00
Используется в агрегатах
|
|
|
1430 i |
|
 |
/ |
T40-04070000-13 |
PARSUN | 3-11 1/8 шаг 13" | T40/ F40/ F50/ F60 винт гребной | шлицов 13
Используется в агрегатах
|
|
|
5300 i |
|
 |
/ |
T40-04070000-12 |
PARSUN | 3-11⅜" шаг 12.0" | T40/ F40/ F50/ F60 винт гребной | шлицов 13
Используется в агрегатах
|
|
|
5300 i |
|
 |
/ |
T40-04070000-11 |
PARSUN | 3-11⅝" шаг 11.0" | T40/ F40/ F50/ F60 винт гребной | шлицов 13
Используется в агрегатах
|
|
|
5300 i |
|
 |
/ |
SK663-45947-02-EL |
Винт гребной для Парсун 40-60HP, диаметр 11 5/8" алюминиевый, лопастей - 3, шаг 11" | шлицов 13
Используется в агрегатах
|
|
|
6370 i |
|
 |
/ |
SK663-45952-02-EL |
Винт гребной для Парсун 40-60HP, диаметр 11 3/8" алюминиевый, лопастей - 3, шаг 12" | шлицов 13
Используется в агрегатах
|
|
|
5520 i |
|
 |
/ |
SK663-45945-02-EL |
Винт гребной для Парсун 40-60HP, диаметр 11 1/8" алюминиевый, лопастей - 3, шаг 13" | шлицов 13
Используется в агрегатах
|
|
|
6370 i |
|
 |
/ |
SK663-45958-01-EL |
Винт гребной для Парсун 40-60HP, диаметр 11 1/4" алюминиевый, лопастей - 3, шаг 14" | шлицов 13
Используется в агрегатах
|
|
|
6370 i |
|
 |
/ |
SK663-45943-01-EL |
Винт гребной для Парсун 40-60HP, диаметр 11" алюминиевый, лопастей - 3, шаг 15" | шлицов 13
Используется в агрегатах
|
|
|
5520 i |
|
 |
/ |
25069 |
Масло для редуктора минеральное Liqui Moly | Gear Oil SAE 80W-90 | API GL-4/GL-5 | 1л |
Используется в агрегатах
|
|
|
1800 i |
|
 |
/ |
SK-63232 |
Насос ручной для замены масла в редукторе ПЛМ для Parsun | Yamaha | Suzuki | Tohatsu, металлический адаптер
Используется в агрегатах
|
|
|
1130 i |
|
 |
/ |
25022 |
4-тактное масло синтетическое | 1 литр | Marine Liqui Moly 10W-30 |
Используется в агрегатах
|
|
|
1520 i |
|
 |
/ |
25042 |
Смазка водостойкая, консистентная Liqui Moly | Marine Grease 250 мл
Используется в агрегатах
|
|
|
950 i |
|
 |
/ |
25037 |
Масло для редуктора Liqui Moly | Gear Oil SAE 75W-90 | API GL-4/GL-5 | 250 мл | синтетическое
Используется в агрегатах
|
|
|
1450 i |
|
 |
/ |
25031 |
Масло для редуктора Liqui Moly | Gear Oil SAE 80W-90 | API GL-4/GL-5 | 250 мл | минеральное
Используется в агрегатах
|
|
|
850 i |
|
 |
/ |
BBR12YC |
Свеча зажигания | Brisk Made in EU | Стандарт YAMAHA F8 / F9.8 / F9.9 / F15/ F20 /F40 / F50 /F60/
Используется в агрегатах
|
|
|
350 i |
|
 |
/ |
F40-07000200EFI |
Bluetooth-устройство для диагностики моторов EFI PARSUN
Используется в агрегатах
|
|
|
12790 i |
|
 |
/ |
F60-04000350 |
Ремкомплект помпы охлаждения
Используется в агрегатах
|
|
|
3460 i |
|